向左移动字节指令n等于8的问题

已锁定

手机用户20220609663610

  • 帖子

    165
  • 精华

    0
  • 被关注

    2

论坛等级:游侠

注册时间:2022-06-09

钻石 钻石 如何晋级?

向左移动字节指令n等于8的问题

1581

14

2024-04-19 12:41:54


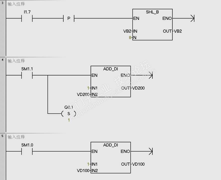
vb2里面是1

执行第3段以后,第4段如果在第5段前则sm1.0无效,第5段如果在第4段前则sm1.1无效。

请问这是什么原因?如何解决?

向左移动字节指令n等于8的问题 已锁定
编辑推荐: 关闭

请填写推广理由:

本版热门话题

SIMATIC S7-200 SMART

共有8997条技术帖

相关推荐

热门标签

相关帖子推荐

guzhang

恭喜,你发布的帖子

评为精华帖!

快扫描右侧二维码晒一晒吧!

再发帖或跟帖交流2条,就能晋升VIP啦!开启更多专属权限!

  • 分享

  • 只看
    楼主

top
X 图片
您收到0封站内信:
×
×
信息提示
很抱歉!您所访问的页面不存在,或网址发生了变化,请稍后再试。