回复:电机给运行命令就报直流母线电压过高

已锁定

看雪001

  • 帖子

    2478
  • 精华

    88
  • 被关注

    236

论坛等级:至圣

注册时间:2012-04-25

钻石 钻石 如何晋级?

发布于 2024-08-15 09:11:19

22楼

书上的变频器原理图,一般是这样的:


四大环节:整流、滤波、再生制动(斩波)、逆变。

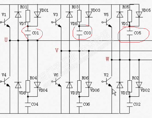
在大体不差的情况下,会有一些不涉及原理性的强制要求,比如开关电源电磁干扰,必须加装安规电容(这也是变频器等开关电源不适合漏电保护器的原因);比如防止IGBT的dVce/dt过大,在CE段并联RC吸收电路:

当电机输出端一端接地时,Y电容和这个保护IGBT阻容电路是不是就构成了倍压整流了?

理论总是落后于实践的。虽然我没有遇到过楼主的情况,但是相信楼主所说的是事实,而不是见了鬼的。


大道至简,知易行难
评论
编辑推荐: 关闭

请填写推广理由:

本版热门话题

SINAMICS

共有8203条技术帖

相关推荐

热门标签

相关帖子推荐

guzhang

恭喜,你发布的帖子

评为精华帖!

快扫描右侧二维码晒一晒吧!

再发帖或跟帖交流2条,就能晋升VIP啦!开启更多专属权限!

  • 分享

  • 只看
    楼主

top
X 图片
您收到0封站内信:
×
×
信息提示
很抱歉!您所访问的页面不存在,或网址发生了变化,请稍后再试。