回复:用G120对MM440端子控制的变频器置换

已锁定

kdrjl

版主 西门子1847工业学习平台

  • 帖子

    36656
  • 精华

    451
  • 被关注

    1445

论坛等级:至圣

注册时间:2003-06-06

钻石 钻石 如何晋级?

发布于 2024-08-25 09:57:44

2楼

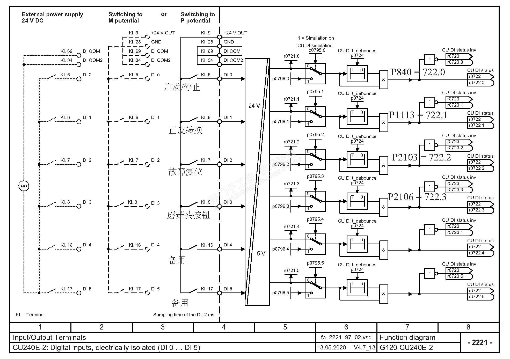
最后,就是端子的连接和内部参数的BiCo了。端子连接特别有意思。无需做任何工作,就是把MM440过去的连接端子,接到G120对应的端子上。连端子接线号都是一模一样的哟。


需要说明,MM440用G120置换,端子控制方式是最简单的,如果是通讯控制的置换。需要学习更新的地方就比较多了。而端子控制方式相对简单的多。


下面就给出一个端子控制置换的例子。按照这个例子,SLVC控制转速和扭矩是完全没有问题的。注意:扭矩控制采用的是扭矩限幅调节控制。





我是你的朋友
评论
编辑推荐: 关闭

请填写推广理由:

本版热门话题

电机

共有3145条技术帖

相关推荐

热门标签

相关帖子推荐

guzhang

恭喜,你发布的帖子

评为精华帖!

快扫描右侧二维码晒一晒吧!

再发帖或跟帖交流2条,就能晋升VIP啦!开启更多专属权限!

  • 分享

  • 只看
    楼主

top
您收到0封站内信:
×
×
信息提示
很抱歉!您所访问的页面不存在,或网址发生了变化,请稍后再试。