西门子PLC 1500联合Factory io进行液位控制PID仿真
项目调试视频地址:点击查看
考虑到大家都是学习用到的,我把仿真的所有资源还是打包上传到了网盘,链接放到了文章的最后,大家自行下载吧!希望我的作品能起到抛砖引玉的效果,期待大家更好的作品!

内容总览
1.项目构思
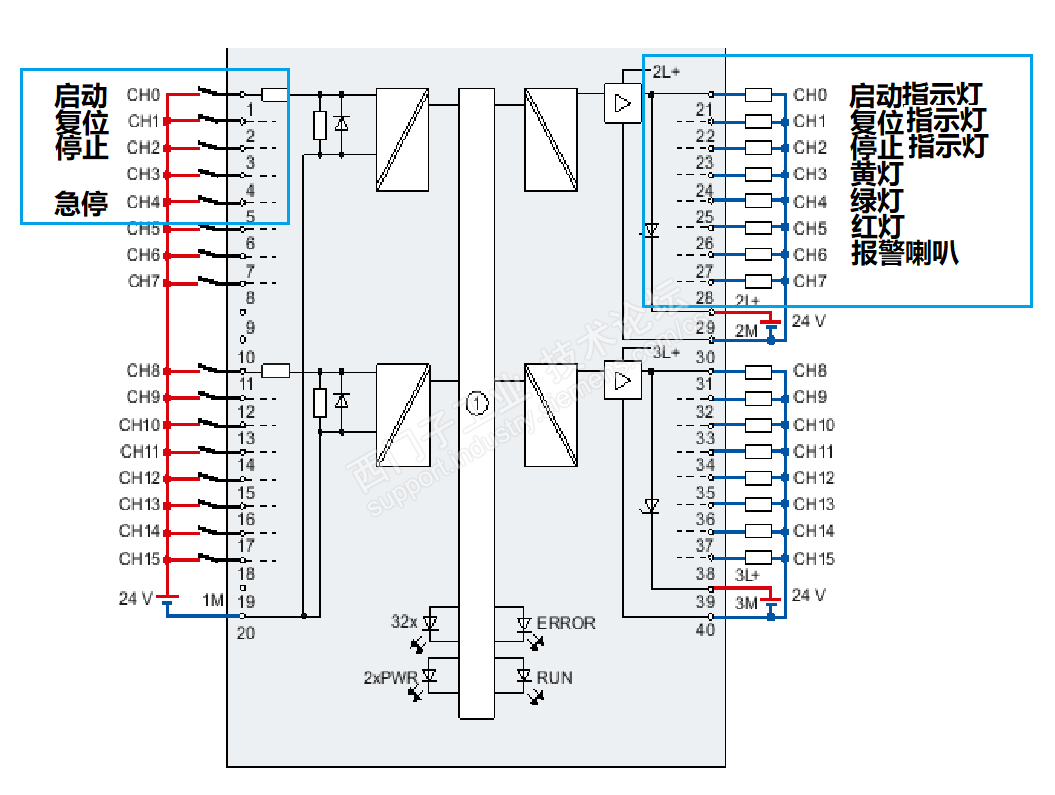
2.电气图纸设计
3.仿真环境硬件组态(Factory Io)
4.PLC程序组态 (TIA V15.1 )
5.触摸屏程序组态 (TP 1200)
6.仿真通信连接设置调试
7.液位PID设置调试
8项目总结
项目构思
应用场景
某公司车间有个化工液体原料罐,由于工艺的特殊性需要保持罐内液体液位稳定,进料阀根据手动旋钮设定的液位自动控制。原料罐周围需要围栏隔离警示,原料液位低于设定的液位80%时需要报警提示并强制关闭排出阀门,高于设定液位的20%时需要报警提示并强制关闭进料阀门。紧急情况员工按下急停按钮后设备断电,不能进行任何操作。员工按复位按钮后设备设备需要停止,液位设置回到原始设定。

硬件详情
PLC 配置:
西门子 PLC 1511-PN ,IO模块 DI 16x24VDC / DQ 16x24VDC/0.5A BA,模拟量模块 输入 AI 4xU/I/RTD/TC ST和输出 AQ 4xU/I ST,触摸屏 TP1200等
仿真设备配置:
液体原料罐 1个(最大输入流量: 0.25 m3/s,最大输出流量: 0.3543 m3/s),警示围栏,控制电箱 1个
液体排空阀 1个 ,进料阀 1个,均为伺服控制,电压 0-10 V
旋钮开关 1个 (0-10V) ,数显面板 2 个 ,启动按钮,停止按钮,复位按钮各 1 个
三色指示灯 1个,报警喇叭 1 个
液位计 1 个 (0 – 300 CM , 0 - 10 V )
流量阀 1 个 (0-10V,10V 对应流量为0.3543 m3/s)
电气图纸设计
电气图纸设计 (IO点预览)

电气图纸设计(数字量)

电气图纸设计(模拟量)


仿真环境硬件组态(Factory Io)

PLC程序组态 (TIA V15.1 )
PLC程序组态 (TIA V15.1 ) (硬件组态)

PLC程序组态 (TIA V15.1 )(硬件配置)

PLC程序组态 (TIA V15.1 )(网络设定)

PLC程序组态 (TIA V15.1 )(仿真参数勾选)


PLC程序组态 (TIA V15.1 ) (变量导入)

PLC程序组态 (TIA V15.1 )(编写操作程序)





PLC程序组态 (TIA V15.1 )(PID组态)


触摸屏程序组态 (TP 1200)
触摸屏程序组态 (TP 1200)(硬件和网络组态)

触摸屏程序组态 (TP 1200)(组态页面)


西门子PLC1500联合Factory io仿真通信连接设置调试
仿真通信连接设置调试(PLC Sim 设置)

仿真通信连接设置调试(Factory io 设置)


液位PID设置调试
液位PID设置调试(PLC)

液位PID设置调试(触摸屏)


液位PID设置调试(Factroy io)

项目总结
1.仿真通讯只有选择PlCSIM才能PLC,触摸屏,Factory联合仿真
2.PLC和触摸屏的变量数据格式一定要细心,否则数据会不一致,有的放大10倍
3.Factroy 移动或添加设备时要注意转换照相机,注意多看帮助文件,多摸索
4.工控行业知识点太多,我们不可能每个都记住,一定要学会搜索,学会看帮助文件
5.模拟量的处理容易混淆,特别时缩放和标准化
6.数学运算应该多使用SCL语言,很方便
项目调试视频地址:点击查看
项目所有仿真程序已打包上传,压缩包太大网盘下载。
链接:https://pan.quark.cn/s/dfd598ee46b5
提取码:PxsK