SimForPlc仿真设备联合西门子PLC1500进行液位PID控制
准备
1. PLC编程软件 TIA Portal V15.1
2. 仿真PLC S7-PLCSIM Advanced V4.0 SP1
3. PLC仿真设备 SimForPlc仿真设备
4. 项目的具体要求
通过SimForPlc仿真设备联合西门子PLC1500进行液位PID控制的练习,我们可以掌握PLC调试的步骤,掌握PID控制的相关知识点,如比例、积分、微分的作用。
仿真效果预览

PLC编程
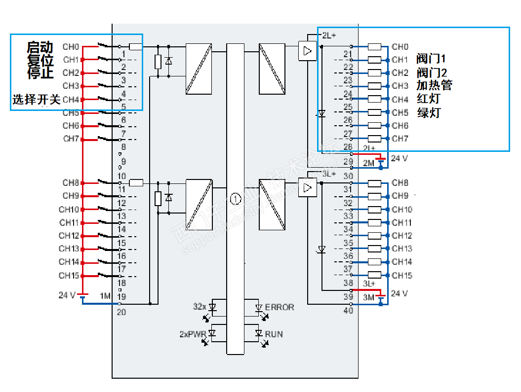
确认SimForPlc仿真设备的IO点和地址

导入SimForPlc仿真设备的IO点

西门子PLC硬件接线参考示例



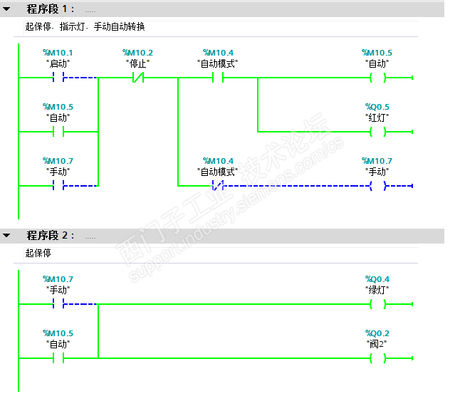
编写程序
起保停控制、手动自动转换、指示灯控制

手动控制,不进行任何判断,直接控制设备运行

自动模式
模拟量转换
模拟量输入的值0-27648,转换成 0-100℃ 和 0 – 100CM



PID功能块设置


具体组态,如加热控制




调试前设置
设置项目的属性,允许仿真

设置项目的通信,允许访问

设置PLCSIM Advanced进入工作参数

液位PID控制仿真
下载程序

在线监控

SimForPlc仿真设备进行连接

仿真开始
点击自动按钮开始仿真,点击启动按钮启动程序,然后将模式开关点击旋到自动,设备开始液位PID控制运行
为了模拟现场实际,我们把阀1选择手动,选择随机比例

PID预调节
由于设定的值和实际值相差太近,就不需要与调节,我们直接开始精确调节
PID精确调节

调节完成后观察调节的效果和记录PID参数

附件太大,大家网盘下载
仿真设备安装版本 SimForPlc setup.exe
链接: https://pan.baidu.com/s/1CoJdn7aixt_Hk36GsA48GQ?pwd=mdtb 提取码: mdtb
仿真设备压缩包 SimForPlc1.02.zip
链接: https://pan.baidu.com/s/1D3YGmzZO2fNudeu0UcZ-QQ?pwd=6kgg 提取码: 6kgg
仿真设备压缩包:SimForPlc1.03.zip
链接: https://pan.baidu.com/s/1ZRVs9rvSIQ_JxXXeZ0maNQ?pwd=vhue 提取码: vhue
仿真设备安装版本:SimForPlcSetup1.03.exe
链接: https://pan.baidu.com/s/1SHAH_MMMIanWYUf-pDGb9A?pwd=c2ag 提取码: c2ag