回复:1FW3201-1FE72-7AA0-Z Q30+T32该电机冷却水流量为多少

已锁定

zzzsunrise

  • 帖子

    487
  • 精华

    2
  • 被关注

    13

论坛等级:侠圣

注册时间:2022-05-24

钻石 钻石 如何晋级?

发布于 2024-10-17 11:28:53

3楼

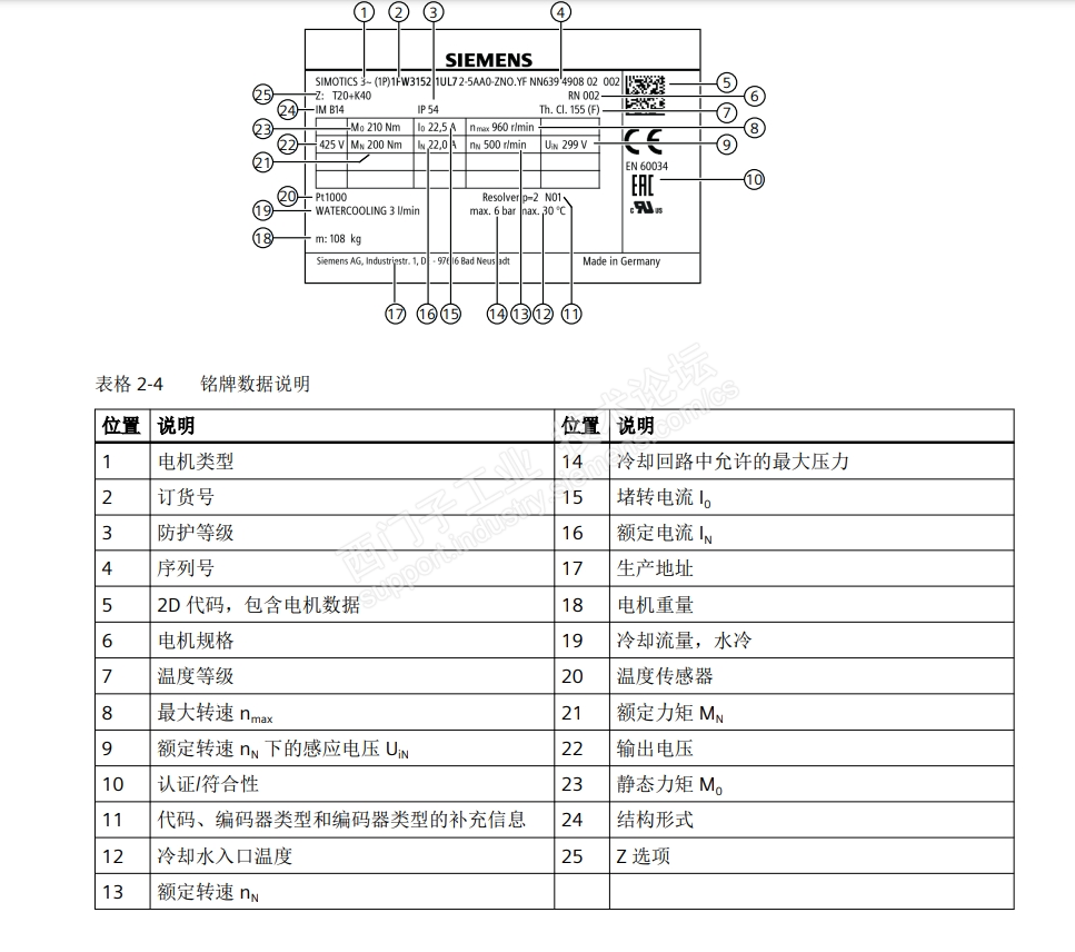
你是指液冷的冷却水流量吧,在铭牌上查看即可。



文档:

https://support.industry.siemens.com/cs/cn/zh/view/61889287


评论
编辑推荐: 关闭

请填写推广理由:

本版热门话题

电机

共有3145条技术帖

相关推荐

热门标签

相关帖子推荐

guzhang

恭喜,你发布的帖子

评为精华帖!

快扫描右侧二维码晒一晒吧!

再发帖或跟帖交流2条,就能晋升VIP啦!开启更多专属权限!

  • 分享

  • 只看
    楼主

top
您收到0封站内信:
×
×
信息提示
很抱歉!您所访问的页面不存在,或网址发生了变化,请稍后再试。