问题1和2参看2楼信息,

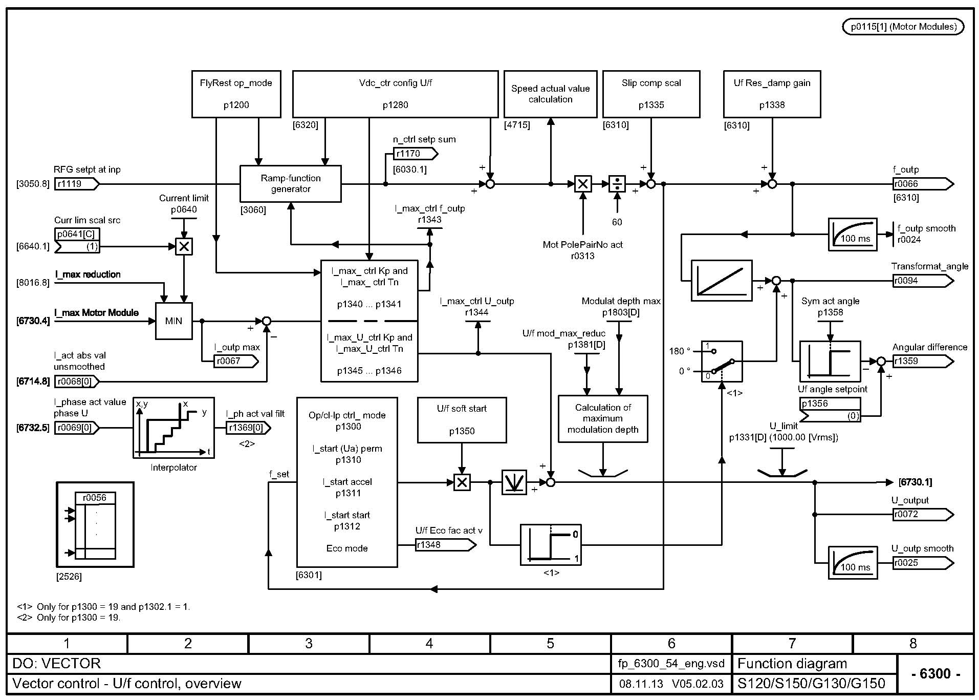
关于电压电流调节,有功能图可以看出,它们在变频器的内部没开放。也不需要用户作调整吧。

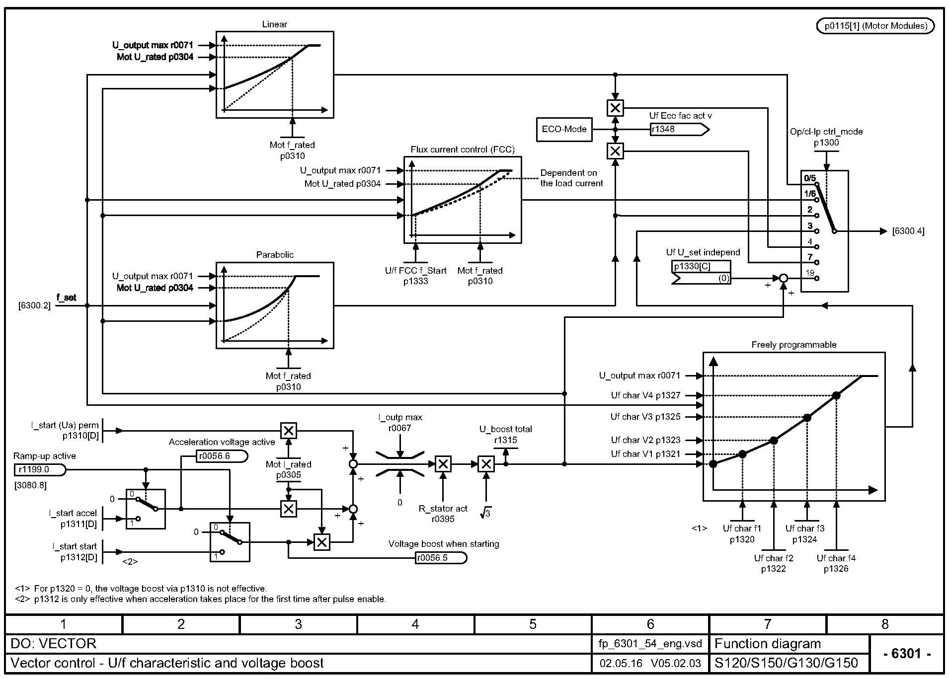
关于转矩提升,见上图示。调节参数尽在图中所示。
关于第三个问题,用S120V/F控制模式实现定位功能?这可是极具挑战性的想法。实现起来有一定的难度,而且定位的精度也没有保证。
用S120来干这样的事?有点不合理呀。S120自身的定位控制功能很强大。功能性能都没得说。可楼主却想用它的V/F模式做定位?这是为什么呢?楼主的这种设想结构,用不着S120吧?随便找个变频器能V/F控制的,自己去玩,不是更好吗?