回复:0一5伏输入可以做到控制输出0一50HZ频率?

已锁定

kdrjl

版主 西门子1847工业学习平台

  • 帖子

    36784
  • 精华

    452
  • 被关注

    1458

论坛等级:至圣

注册时间:2003-06-06

钻石 钻石 如何晋级?

发布于 2025-02-03 09:21:38

6楼

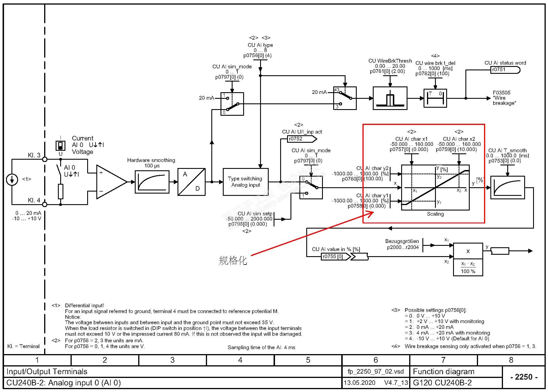
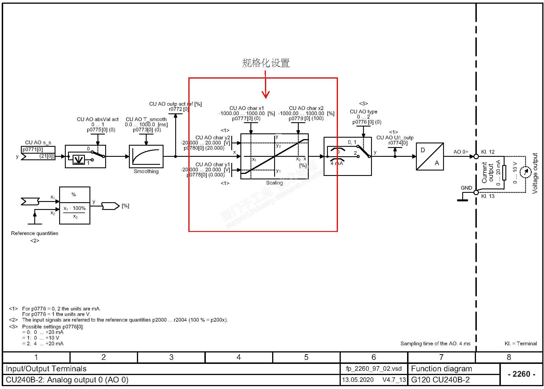
西家传动G系列变频器是这样解决楼主问题的。如下图示。它们的模拟量输入和输出,都是可以参数设置规格化的。按照应用需求任意设置输入与输出的关系。




我是你的朋友
评论
编辑推荐: 关闭

请填写推广理由:

本版热门话题

SINAMICS

共有8163条技术帖

相关推荐

热门标签

相关帖子推荐

guzhang

恭喜,你发布的帖子

评为精华帖!

快扫描右侧二维码晒一晒吧!

再发帖或跟帖交流2条,就能晋升VIP啦!开启更多专属权限!

  • 分享

  • 只看
    楼主

top
X 图片
您收到0封站内信:
×
×
信息提示
很抱歉!您所访问的页面不存在,或网址发生了变化,请稍后再试。