最近使用S120的EPOS功能控制电缸,在博途中使用SINA_POS进行控制。
在使用EPOS功能的过程中,发现有时在操作MDI后可以回零,有时不能正常触发回零操作,通过检查发现是SINA_POS操作P2596的时序有不同,在正常触发回零时该位的高电平时间要明显比不能正常回零时的高电平时间长。
检查了所有回零条件,包括检查了modepos和executemode的时序,也检查了在回零前轴实际是静止的,但找不到问题,咨询了西门子400,答曰用SINA_POS触发回零时,不能在MDI模式下进行触发操作,只能通过断使能退出MDI模式后再重新使能进行操作。
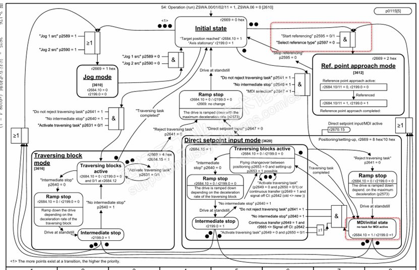
对于这个答案 我表示有些许怀疑,随后检查相关功能图找到了答案。

从功能图可以看到 从MDI模式是不需要重新使能就可以直接触发回零操作的 ,前提是r2684.10=1 和r2199.0=1
R2684.10是Target position reached 通过监控 这个点始终满足条件,检查R2199.0
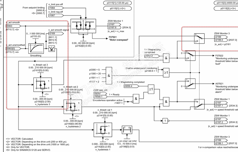
|n_act| < speed threshold value 3 这个条件发现 有时候这个点为0,而此时虽然我自己PLC判断电机是静止的,并且SINA_POS能正确给出开始回零的控制位但此时驱动器内部并不能满足EPOS切换到搜寻参考点状态的要求,因此不能正常触发回零,通过功能图发现是P2161和P2153这个参数引起

这个参数默认是5rpm,而电缸由于带的是位能型负载,电机转速由旋变反馈,有时反馈的转速会高于5rpm,随后适当增加P2153到20ms和P2161到10rpm,经过测试发现此时可以正常回零了,最后在程序中回零条件增加了r2684.10=1 和r2199.0=1的判断,经过多次测试发现再也没出问题。