变频器控制电机时接触器硬件连接位置?

已锁定

杰森斯坦你表哥

  • 帖子

    10
  • 精华

    0
  • 被关注

    0

论坛等级:游民

注册时间:2021-03-16

普通 普通 如何晋级?

变频器控制电机时接触器硬件连接位置?

1558

7

2025-02-14 15:53:42


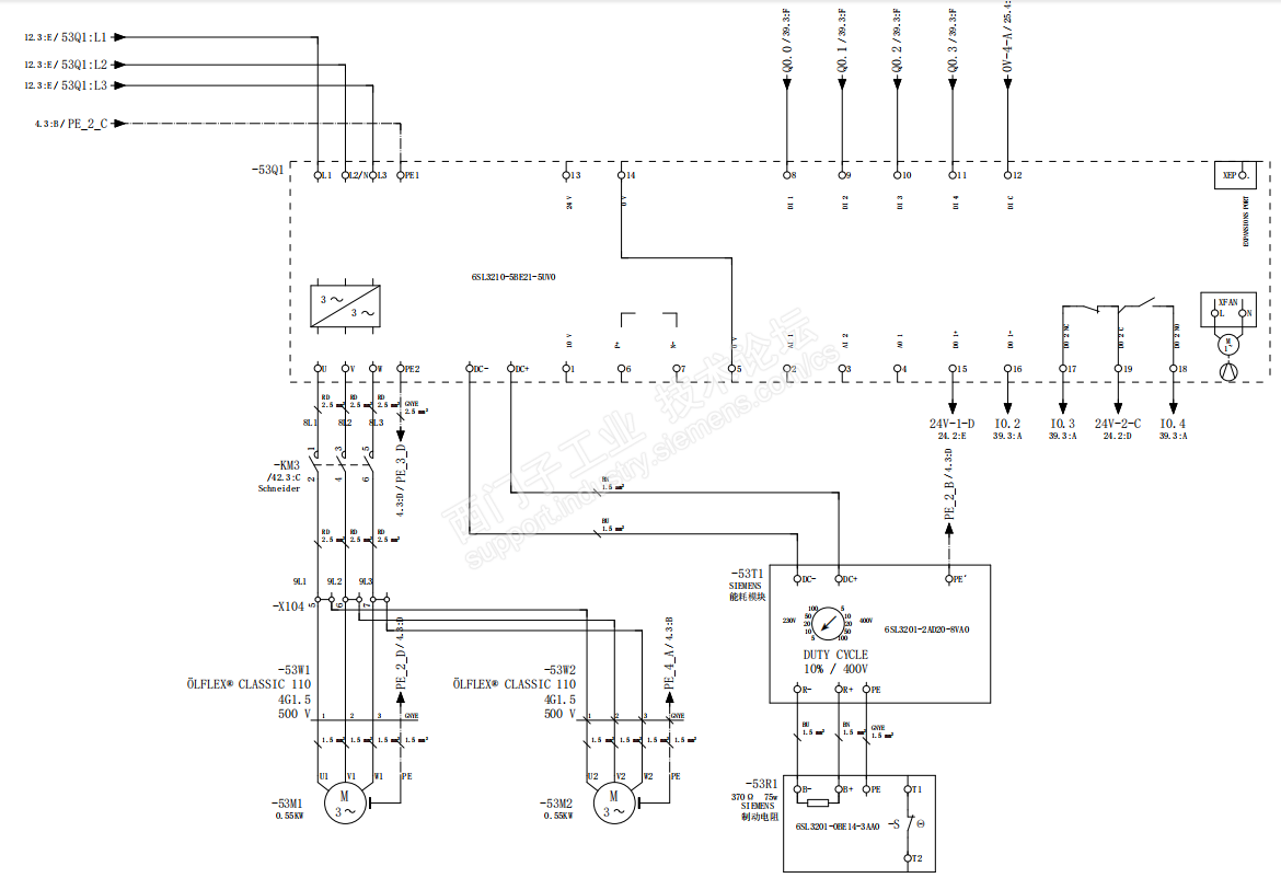
变频器控制电机时,若想增加接触器控制,是像上图一样把KM3加到变频器输出端和电机之间,还是把KM3增加在变频器输入端的电机保护开关的后面?此问题困扰很久,搜索了很多资料以及帖子,怎样回答的都有,请各位大神指正。


变频器控制电机时接触器硬件连接位置? 已锁定
编辑推荐: 关闭

请填写推广理由:

本版热门话题

驱动技术综合产品

共有1967条技术帖

相关推荐

热门标签

相关帖子推荐

guzhang

恭喜,你发布的帖子

评为精华帖!

快扫描右侧二维码晒一晒吧!

再发帖或跟帖交流2条,就能晋升VIP啦!开启更多专属权限!

  • 分享

  • 只看
    楼主

top
X 图片
您收到0封站内信:
×
×
信息提示
很抱歉!您所访问的页面不存在,或网址发生了变化,请稍后再试。