回复:大家是如何规避位控制按钮置位不复位的

已锁定

为修修为

西门子1847工业学习平台

  • 帖子

    1165
  • 精华

    8
  • 被关注

    30

论坛等级:奇侠

注册时间:2021-12-02

钻石 钻石 如何晋级?

发布于 2025-02-25 14:52:11

17楼

展开查看
以下是引用独饮丶回忆在2025-02-24 15:21:18的发言 >13楼

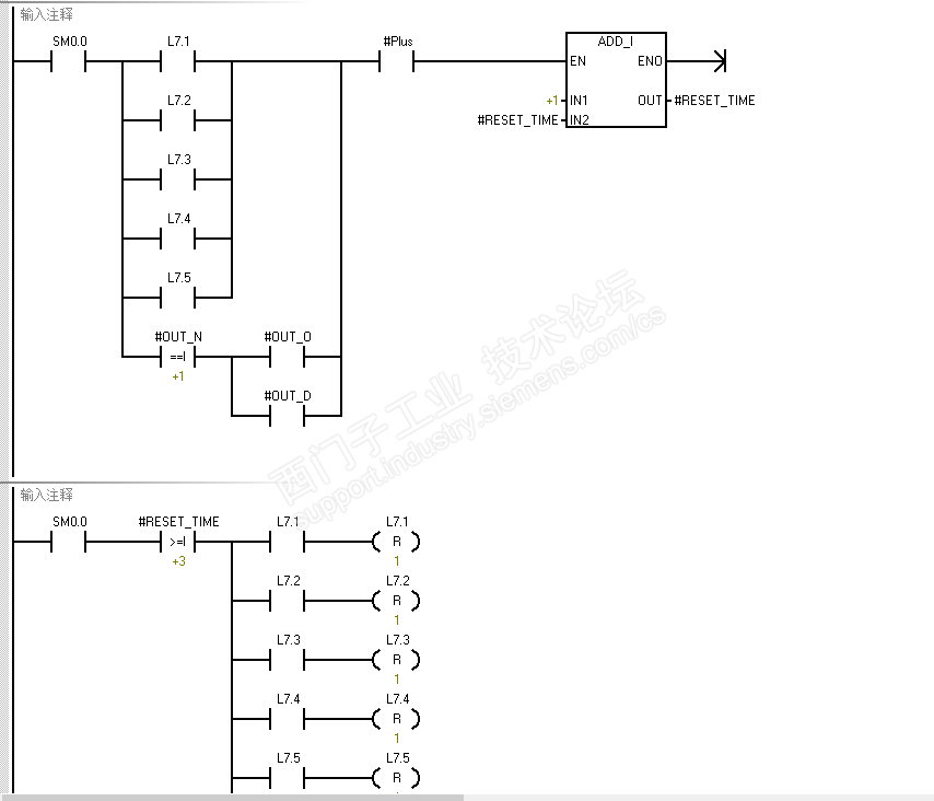
在程序里写好自复位按钮程序就好,类似这样



程序内一定可以解决,还有别的方法吗

评论
编辑推荐: 关闭

请填写推广理由:

本版热门话题

SIMATIC S7-200 SMART

共有9001条技术帖

相关推荐

热门标签

相关帖子推荐

guzhang

恭喜,你发布的帖子

评为精华帖!

快扫描右侧二维码晒一晒吧!

再发帖或跟帖交流2条,就能晋升VIP啦!开启更多专属权限!

  • 分享

  • 只看
    楼主

top
X 图片
您收到0封站内信:
×
×
信息提示
很抱歉!您所访问的页面不存在,或网址发生了变化,请稍后再试。