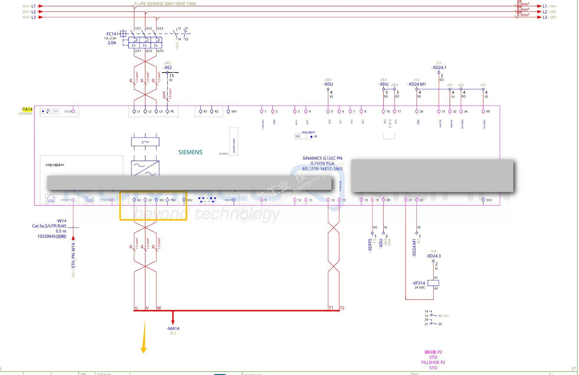
G120C变频器,PN通讯控制三相异步电动机,在电机启动时经常会出现先短暂反转一下再朝正确方向运行。

已锁定

穷理查书

  • 帖子

    105
  • 精华

    0
  • 被关注

    2

论坛等级:游侠

注册时间:2020-03-29

黄金 黄金 如何晋级?

G120C变频器,PN通讯控制三相异步电动机,在电机启动时经常会出现先短暂反转一下再朝正确方向运行。

2174

16

2025-02-28 11:00:53

遇到的问题:

G120C变频器,PN通讯控制三相异步电动机,在电机启动时经常会出现先短暂反转一下再朝正确方向运行。

目前已经排除了不是机械负载原因(已经把电机脱离负载)

检查了电机的接线都是正确且牢固的。


那么在电机启动过程中经常会出现先短暂反转一下再朝正确的方向运行这一情况。能给说明一下原因嘛,诊断方法。

使用万用表测量电机接线端UVW电压,当在启动过程中出现短暂反转情况下,与未出现反转时的电压不同。未出现反转时电压ac95v,出现反转时瞬时电压242v








G120C变频器,PN通讯控制三相异步电动机,在电机启动时经常会出现先短暂反转一下再朝正确方向运行。 已锁定
编辑推荐: 关闭

请填写推广理由:

本版热门话题

驱动技术综合产品

共有1966条技术帖

相关推荐

热门标签

相关帖子推荐

guzhang

恭喜,你发布的帖子

评为精华帖!

快扫描右侧二维码晒一晒吧!

再发帖或跟帖交流2条,就能晋升VIP啦!开启更多专属权限!

  • 分享

  • 只看
    楼主

top
您收到0封站内信:
×
×
信息提示
很抱歉!您所访问的页面不存在,或网址发生了变化,请稍后再试。