回复:S7-300系列通过profibus-dp总线与aventics独立耦合器组态报错!求帮助!

已锁定

末尾有点稀

  • 帖子

    8
  • 精华

    0
  • 被关注

    0

论坛等级:游民

注册时间:2024-02-04

黄金 黄金 如何晋级?

发布于 2025-03-24 13:53:22

1楼

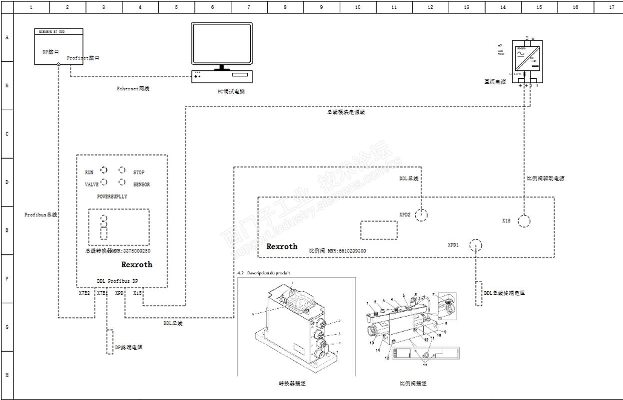
独立耦合器的订货号为3375000250,基本的电气概览如下,耦合器的终端电阻我用B型5pin插头出来,直接接的DB9插头电缆并把  首尾的电阻拨到ON,




评论
编辑推荐: 关闭

请填写推广理由:

本版热门话题

SIMATIC S7-300/400

共有54616条技术帖

相关推荐

热门标签

相关帖子推荐

guzhang

恭喜,你发布的帖子

评为精华帖!

快扫描右侧二维码晒一晒吧!

再发帖或跟帖交流2条,就能晋升VIP啦!开启更多专属权限!

  • 分享

  • 只看
    楼主

top
您收到0封站内信:
×
×
信息提示
很抱歉!您所访问的页面不存在,或网址发生了变化,请稍后再试。