回复:请教:锥形电机变频控制。

吃瓜欧神

  • 帖子

    168
  • 精华

    6
  • 被关注

    11

论坛等级:侠士

注册时间:2012-04-06

钻石 钻石 如何晋级?

发布于 2025-05-01 11:25:27

73楼

展开查看
以下是引用kdrjl在2025-05-01 10:32:15的发言 >72楼

回复66楼:

--

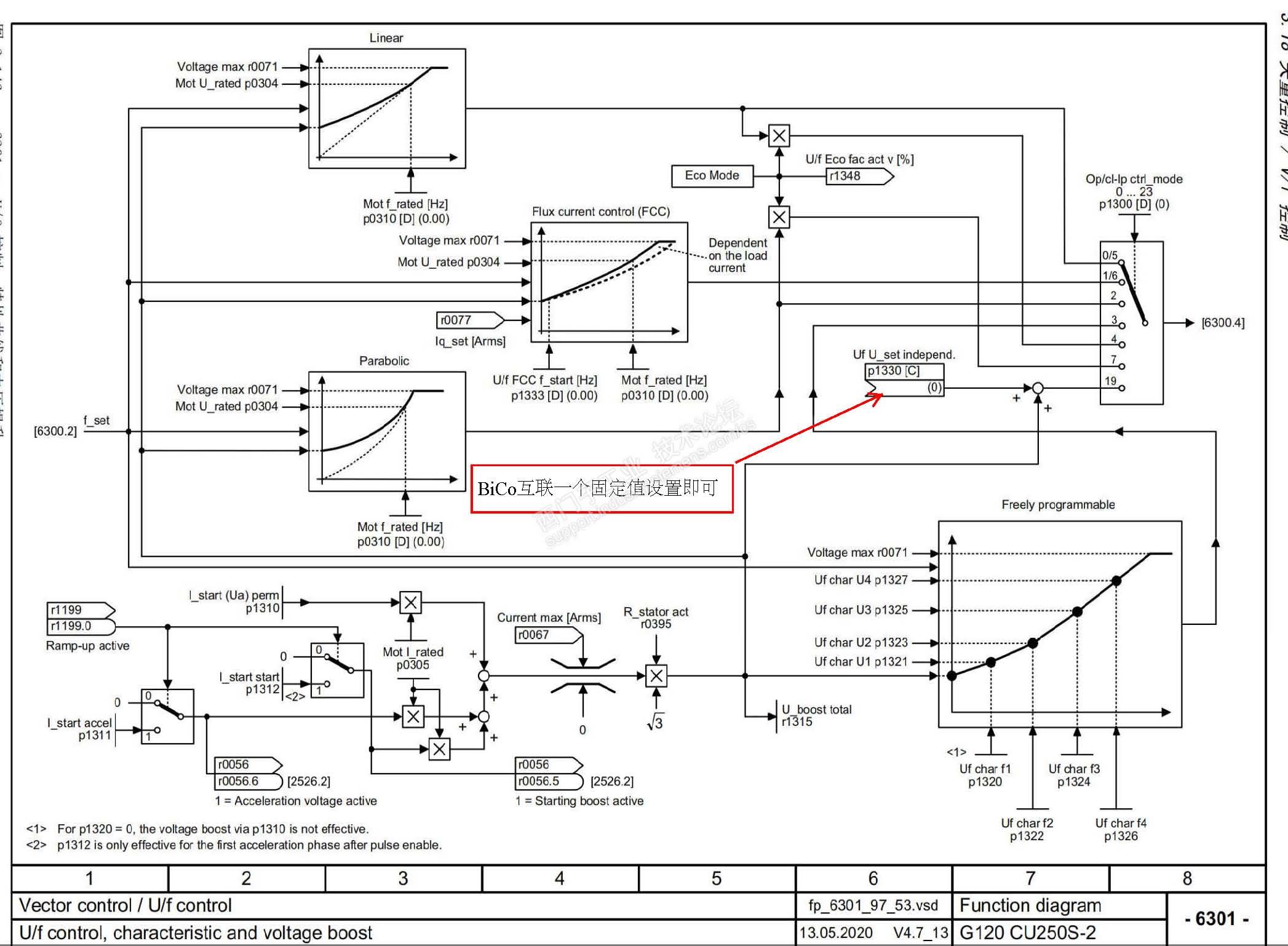
这个电压值没注意到是哪个参数呢,用功能图引用后发现只有1330这个值可以设置。0或100%,然后就是其他的bico互联。当时关联r63是想测试下这个值有变化后是个什么情况
          

--

关于P1300 = 19的使用,很简单。见下图:


转速设定值走P1070的源;独立电压设定值走P1330的源。


你的这个锥形电机控制,其实就按你的实验去搞,V/F模式P1300= 0即可。熟悉的方法去满足需求,把握性更妥。


你讲的那些担心是必要的。比如说,锥形电机的变频调节,它冷问题如何和解决?低速状态(我是说假如,满足需求的低速状态待在运行能够稳定)的电流会不会因为太满,而导致电机或控制系统的热积累怎么办?另外还有一个运维会不会增加更多的麻烦?等等。都是未知的,需要你去应对。


本楼的技术交流,从技术层面说,还是很积极的。非常有分享的价值。但是,它的实用性如何?反正我是不看好。实话实说。


个见。

1330互联后的数据是一直不变的吗?独立频率给定找到了,也试了,会根据设定值去变化,但是这个1330一直没搞懂啥意思。采用1300=0可以满足实验条件,测试独立电压源是想学习学习。对这个功能很感兴趣,去年一个国外的项目60hz460v,当时想用变频做电压源,看到这个功能,一直没实际测试研究过。正好这次有机会试试。想换锥形电机是因为现在在用的电机采用独立的电磁刹车,刹车的线包出现过几次损坏,更换麻烦。就目前测试的结果看,由矢量控制变为VF控制,动态性能以及精确性牺牲了,电机可能存在的发热问题也随之而来。更换电机后测试参数的时间以及后期面临的问题都要考虑。个人认为测试意义大于实际应用。实验过程中的数据,更换后牺牲的东西,已经汇报了。看领导们怎么考虑了。
没有最好 只有更好

精华帖版主置评:不错的分享。老司机呀。kdrjl

评论
编辑推荐: 关闭

请填写推广理由:

本版热门话题

电机

共有3150条技术帖

相关推荐

热门标签

相关帖子推荐

guzhang

恭喜,你发布的帖子

评为精华帖!

快扫描右侧二维码晒一晒吧!

再发帖或跟帖交流2条,就能晋升VIP啦!开启更多专属权限!

  • 分享

  • 只看
    楼主

top
X 图片
您收到0封站内信:
×
×
信息提示
很抱歉!您所访问的页面不存在,或网址发生了变化,请稍后再试。