回复:请教 S120 参数 P1037 和 P1038

kdrjl

版主 西门子1847工业学习平台

  • 帖子

    37128
  • 精华

    455
  • 被关注

    1479

论坛等级:至圣

注册时间:2003-06-06

钻石 钻石 如何晋级?

发布于 2025-07-10 09:56:56

1楼

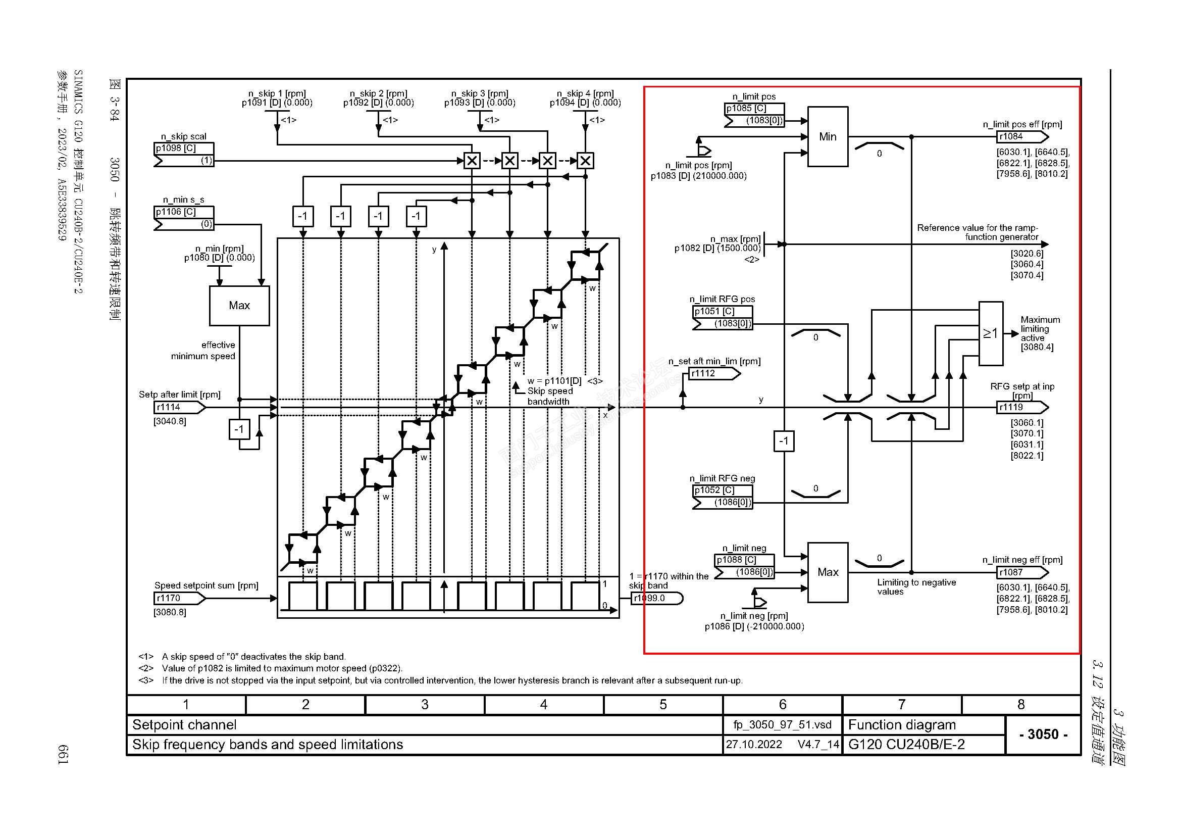
1037和1038这两个参数,是电动电位计的上升下降限制。你如果用电动电位计,这两个参数会限制你的设定值上下限。注意是电动电位计设定值的上下限。不是系统的最高转速限制。系统里最高转速限制没有别的,就是与P1082X相关的参数限制。也包括P2000。



我是你的朋友
评论
编辑推荐: 关闭

请填写推广理由:

本版热门话题

SINAMICS

共有8232条技术帖

相关推荐

热门标签

相关帖子推荐

guzhang

恭喜,你发布的帖子

评为精华帖!

快扫描右侧二维码晒一晒吧!

再发帖或跟帖交流2条,就能晋升VIP啦!开启更多专属权限!

  • 分享

  • 只看
    楼主

top
X 图片
您收到0封站内信:
×
×
信息提示
很抱歉!您所访问的页面不存在,或网址发生了变化,请稍后再试。