各位大侠我最近在做一个雨刷采集的测试,需求如下:
接近开关测出雨刷的1分钟动作次数,然后实时的传送到LED屏幕上。
根据用户的需求硬件方案如下:
SR20PLC+接近开关+LED屏
设计采集方案如下:
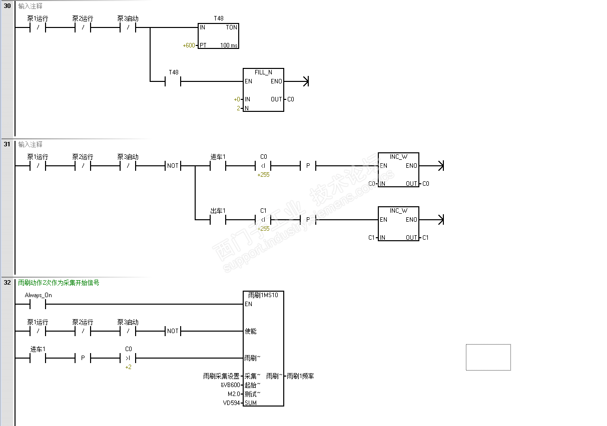
1,水泵运行使能采集功能
2,传感器检测到雨刷动作2次触发采集开始信号,采集2次传感器动作的间隔时间
3,把间隔时间放入固定长度的数据区,求平均值
4,通过1Min/平均间隔时间计算出采集频率。
现在发现采集有时是正常的,有时误差比实际少3-5次的,通过监控每次的采集间隔时间发现这个应该是接近开关滞后80-90ms引起的。想请教下各位有没有是不是我的算法有问题还是方案不对。不知各位有没有更加合适的方法!
功能程序如下图:



主程序如下:
