展开查看
以下是引用莘莘学子在2025-07-24 09:36:57的发言 >10楼:
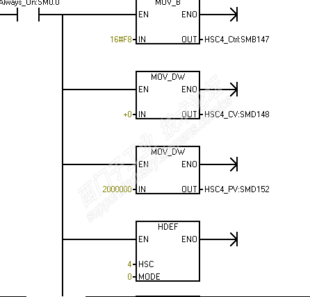
把你的高速计数器这块程序贴出来看看,另外如何清零的
以下是引用东方孟荣在2025-07-23 12:00:08的发言 >:做了中断,一中断传0...
以下是引用莘莘学子在2025-07-23 11:45:38的发言 >:你是不是测量滚筒式...
以下是引用东方孟荣在2025-07-22 14:17:20的发言 >:6小时前正常,6小...
以下是引用莘莘学子在2025-07-22 13:08:04的发言 >:什么程序能把扫描...
以下是引用东方孟荣在2025-07-21 12:55:29的发言 >:测出来382ms
以下是引用李岩在2025-07-21 01:33:52的发言 >:赶脚这个办法有...



用的中断事件29复位