一起西门子840D系统控制的排查过程
近期一个星期左右,我被公司一台西门子840D的设备控制系统“玩”的夜不能寐,生产部门因为无法正常排产,产品严重积压而抱怨无比。
问题描述:
近一个星期来,公司一台西门子840D系统设备,总被一些没有报警信息的故障停机所困扰。没有报警停机我理解,可能是因为某一些原因,设备制造商的编程人员在调试期间或者使用过程中没有想到,或者出现的新问题、新情况,而没有及时编辑故障报警信息内容。如果用户遇到这样的故障频发,确实作为运维人员的压力是大的,再则,这个故障是时有时无的不间断的出现,更增加了维修难度。
在一次重启后的报警信息找到其中一个问题的突破口,在某次查找故障根源时,在 OP屏上捕捉到这样的报警信息,图示1:

这个报警的含义是表示,系统伺服驱动器故障,这3个输入到plc控制的输入信号异常,返回plc的输入模块,确实可以看到这3个输入信号没有使能,图示2:

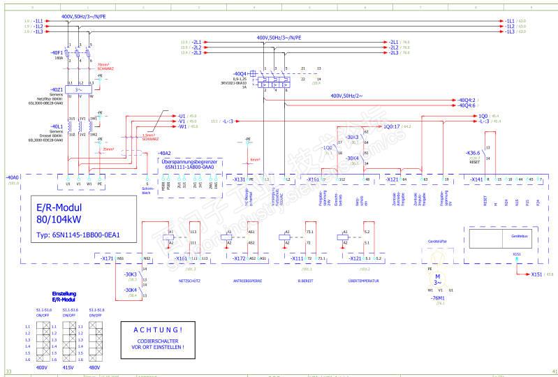
DI输入I32.0 没有为1,I32.6/I37.6同样也没有为1。查看电气原理图,图示3:

造成DI输入I32.0没有为1,其中的原因是-9L+没有24V电源电压,用万用表测量该端子24V DC正常,返回到伺服电源模块设备编号为-40A0位置,看那边的电路,此时,故障被“自动”消除,此时,看I32.0的信号输入正常了,问题被屏蔽了,重启几次设备,故障没有出现,只能放弃,只能等待故障再次的出现。
查看-040A0伺服驱动器电源模块,图示4:

造成没有使能的原因是,伺服电源模块的-X111端子,内部继电器没有使能吸合,图示5:

到了下午,值班领班说设备再次出现报警,无法通过断电重启消除。我再次赶到现场,查找线路没有有效找到问题点,再次启动设备,伺服电源模块没有出现没有输出使能的问题,这样又一次与查找问题失之交臂,故障总是时好时坏的出现,而我根本无法查找到问题的根源,是伺服电源模块本体的硬件问题?还是外围的控制、触发异常问题?还是其它可能的问题?就这样反反复复的进行着。
问题的真正突破口一直到昨天晚上10点多,看到微信上值班的同事在说设备报警再次出现,而无法通过复位消除。于是,我让同事根据电气原理图,查找可能的问题点。可是,查找问题总是无功而返,又是一个不眠之夜,心里七上八下的盘那些可能的问题,生产被再次耽搁一个晚上。
早上,5点多醒来,冥冥之中,感觉应该是那些可能的位置,可能是我的诚信感动到上帝吧(我不信鬼神),赶紧到公司设备现场排查晚上盘的那些可能点。
启动设备,伺服驱动器电源模块,没有使能,有戏了!希望这次故障根源不要自己又恢复了呀,好不容易找到这个现象的,我一次又一次的失之交臂,一次一次不气馁的查找,总该有一个了断了吧。查找-X131伺服驱动器电源的控制电源,400V AC始终稳如泰山般的存在,OK!控制电源排除。总电源三相400V AC稳如泰山般的存在,OK!也被排除,那只能是控制端子这些了,当我找到-X171端子时,信号异常,莫非故障真的被找到了?我都不敢相信自己的眼睛了,图示6:

外围控制单元是-30K3和-30K4组成的,图示7:

当用万用表测量到-30K4的13#、14#端子时,接触电阻为100多欧姆,判断触点接触存在内阻大的问题,停机,先用短导线自己短接,图示8:

连接完成确认无误,重新启动设备,伺服电源模块运行正常,图示9:

问题基本锁定,到备件箱拿来3RH1131-1BB40继电器更换。检查确认无误,重启设备没有报警。电话通知工厂领班,试机并组织生产,近一个星期延误产品太多了。
怀着查找问题根源的心态,我将故障的继电器拿到办公室进行通断测试,连接24V DC电源给继电器A1+和A2-端子,13#、14#的NO触点时有时无的检测出存在的内阻情况,图示10:

由此说明当时现场查找判断问题是确实存在的,100多欧姆的电阻存在,确实给伺服驱动器电源模块的-X171端子的NS1和NS2造成无法驱动-X161内部继电器的故障原因。一个小小的继电器触点内阻问题整整困扰我一个星期,而使生产无法造成排产,排障有时候真的是很辛苦,很艰难的,放弃意味着故障无法正常查找到,一看手机时间已经到了同事们陆陆续续到公司上班的7点40多分,忙碌的一天又将开始了。此贴,希望能够给同行做一个参考。
2025/8/8上午整理