回复:急停按钮(带安全继电器)正常合理的使用,,,,,

kinkin

西门子1847工业学习平台

  • 帖子

    7414
  • 精华

    53
  • 被关注

    252

论坛等级:至圣

注册时间:2003-06-06

钻石 钻石 如何晋级?

发布于 2025-08-28 14:36:53

1楼

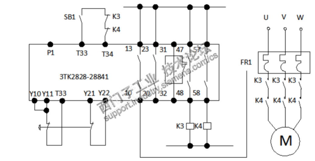
急停按钮与安全继电器的接线需遵循故障安全原则(如 EN 13849 标准),核心逻辑是:急停按钮触发后,安全继电器切断危险回路(如电机、接触器线圈),且需手动复位才能恢复。

下面是参考图,这个图是本论坛其它地方的,供您参考



数字飞舞
评论
编辑推荐: 关闭

请填写推广理由:

本版热门话题

SIMATIC S7-1200系列

共有15228条技术帖

相关推荐

热门标签

相关帖子推荐

guzhang

恭喜,你发布的帖子

评为精华帖!

快扫描右侧二维码晒一晒吧!

再发帖或跟帖交流2条,就能晋升VIP啦!开启更多专属权限!

  • 分享

  • 只看
    楼主

top
X 图片
您收到0封站内信:
×
×
信息提示
很抱歉!您所访问的页面不存在,或网址发生了变化,请稍后再试。