回复:6es7033两路模拟量输入频率给定切换

kdrjl

版主 西门子1847工业学习平台

  • 帖子

    36656
  • 精华

    451
  • 被关注

    1445

论坛等级:至圣

注册时间:2003-06-06

钻石 钻石 如何晋级?

发布于 2025-10-08 15:21:09

3楼

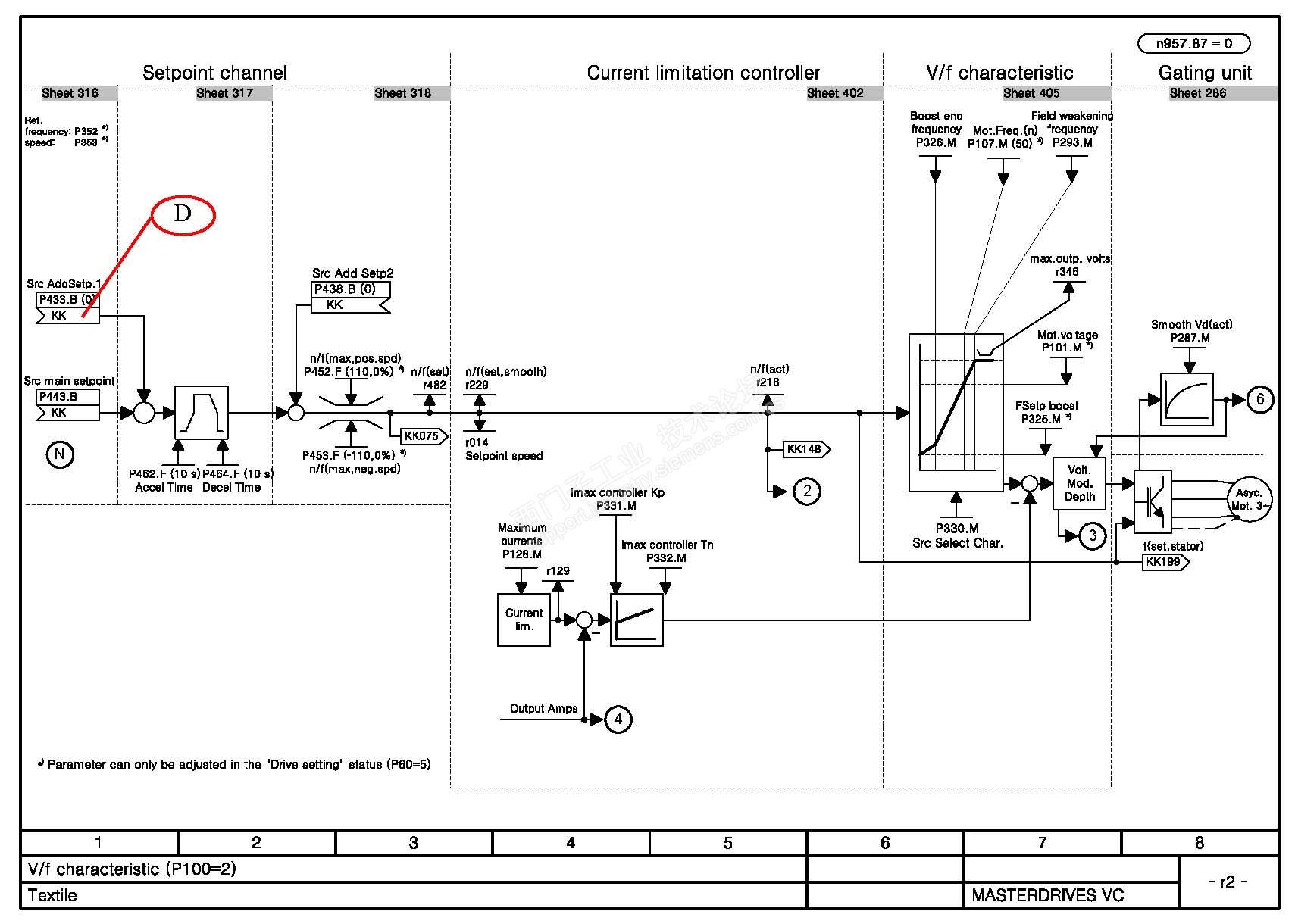
对于楼主的需求,两地控制官方推荐是P590的控制。需要对命令数据组进行参数组转换。


而实际也可以通过6SE70提供的自由功能块_模拟开关,进行两地控制的转换。如下图示:

来自通讯的设定值A

来自模拟量的设定值B和一个开关量C(转换信号)

把A-B-C接入相应的参数,模拟开关设置时隙=4,输出D

将模拟开关输出D接入设定值通道参数即可。

我是你的朋友
评论
编辑推荐: 关闭

请填写推广理由:

本版热门话题

MasterDrives

共有5852条技术帖

相关推荐

热门标签

相关帖子推荐

guzhang

恭喜,你发布的帖子

评为精华帖!

快扫描右侧二维码晒一晒吧!

再发帖或跟帖交流2条,就能晋升VIP啦!开启更多专属权限!

  • 分享

  • 只看
    楼主

top
您收到0封站内信:
×
×
信息提示
很抱歉!您所访问的页面不存在,或网址发生了变化,请稍后再试。