AI小西
热门搜索
1847工业学习平台选型V90 EPOS控制功能及常见问题产品信息压力仪表资料汇总选型

签到有奖

  • 移动端入口

  • 工业服务小程序
  • 支持中心移动端首页
  • 智能小西- 智能问答与在线预约
  • SIEMENS工业找答案小程序
  • 工业培训与认证
  • 西门子工业1847俱乐部
  • SIEMENS工业技术支持与服务
@CurrentUser.EmailCount@

消息提醒

登录 | 注册
@CurrentUser.NickName@
1847会员:未开通
VIP等级 @CurrentUser.vipLevel@
西币
@CurrentUser.coin@
  • 我的支持中心
  • 我的1847会员
  • 我的技术论坛
  • 我的找答案
  • 我的下载中心
  • 我的售后服务
  • 我的培训认证
  • 我发的帖子
  • 我跟的帖子
  • 我的论坛设置
  • 论坛用户指南
  • 我的下载中心
  • 我的培训认证
  • 我的提问
  • 我的回答
  • 已经帮助了@CurrentUser.allAnswercount@人我要回答
  • 已连续活跃@CurrentUser.allLoginDayCount@天我要提问
  • 首次回答问题获得双倍西币积分
  • 个人设置
  • 退出
  • 首页
  • 技术支持
    • 技术支持
    • AI小西
    • 风驰卡
    • 产品入门
    • 在线产品选型
  • 售后服务
    • 售后登记和质保查询
    • 备件商城
    • ASP工程师验证
    • ASP公司证书验证
    • 售后服务常见问题
  • 下载中心
    • 首页
    • 售前文档(样本、宣传册等)
    • 售后文档(FAQ、手册等)
  • 工业学习平台
    • 首页
    • 了解会员权益
    • 立即开通1847会员
  • 培训认证
    • 首页
    • 教室培训课
    • 取证训练营
    • 在线自学课
    • 认证证书查询
    • 培训伙伴验证
  • 技术论坛
    • 首页
    • 最新发帖
    • 精华帖
    • 发新帖
  • 找答案
    • 首页
    • 已解决问题
    • 精华常见问题
    • 发布新问题

运维工程师专区

官方商城

  • 西门子中国
  • 技术支持与服务首页
    我的支持中心
    下载中心首页
    全球技术资源
    1847工业学习平台
    产品入门新手必读
    找答案
    技术论坛
    售后服务
    网络资源新手必读
    高级搜索
  • 技术论坛
    论坛公告
    论坛使用指南
    最新发帖
    精华帖
    分享帖
    高赞帖
    热门帖
    高端推荐帖
    最高收藏帖
  • 驱动技术 / MasterDrives
  • 求助:令人心碎的炸机一月,如噩梦般还没查出原因

技术论坛

 • 产品分类
自动化系统
  • SIMATIC S7-1500系列 
  • SIMATIC S7-1200系列 
  • SIMATIC S7-200
  • SIMATIC S7-200 SMART 
  • SIMATIC S7-300/400 
  • 通信与网络组件
  • Profinet技术开发专区
  • 工业边缘计算
  • SIMATIC WinCC / Panel 
  • SIMATIC WinCC OA (原PVSS)
  • DCS/SIMATIC PCS7
  • IPC/PG
  • LOGO!
  • 物联网(IOT)
  • 工业电源
驱动技术
  • SINAMICS 
  • SINAMICS S200 
  • 直流调速器
  • 电机
  • SIMOTION
  • MicroMaster
  • 驱动技术综合产品
  • MasterDrives 
  • DCMA 变频器健康管家 维护智库
数控系统
  • SINUMERIK 
  • SIMODRIVE
低压电气
  • 低压电气
  • 低压数字化
传感器与通讯
  • 过程仪表
  • 分析仪器
  • 工厂传感器
谈天说地
  • 谈天说地
 • 咱工程师的故事
咱工程师的故事
  • 网友专栏 
  • 工程师随笔
1847大咖专栏
  • 崔工谈博途与PLC
  • PROFINET工业通信详解
  • 冯工聊工业网络
  • 电磁兼容问题及处理
  • 大咖专栏合集
特别专题
  • 专家大讲堂课后探讨
  • 西门子工业1847俱乐部
  • 特别专题合集
 • 培训与认证答疑专区
培训与认证答疑专区
  • PLC编程精英训练营
  • MA 小型自动化系统
  • WinCC系统开发工程师精英训练营
  • V90精英训练营
  • WinCC精英训练营
  • S7-1200精英训练营
  • G120变频器精英训练营
  • S7-200SMART精英训练营
 • 服务合作伙伴专区
服务合作伙伴专区
  • FA合作伙伴共创社区
  • Networks and Communication
  • GMC蓝黄带考试-G120
  • GMC蓝黄带考试-V90
  • GMC 合作伙伴专区

求助:令人心碎的炸机一月,如噩梦般还没查出原因

手机用户20200403137917

西门子1847工业学习平台

  • 帖子

    3
  • 精华

    0
  • 被关注

    0

论坛等级:游民

注册时间:2020-04-03

普通 普通 如何晋级?

求助:令人心碎的炸机一月,如噩梦般还没查出原因

5547

31

2025-10-22 20:50:37

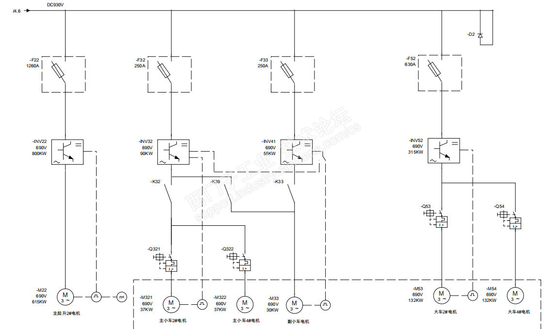
有一台西门子6SE70系列控制的450T行车,采用东西梁双AFE整流滤波回馈单元,AFE通过直流母排供俩个电气室各机构逆变器工作,西梁从9月20日开始,开始炸柜子,先是主起升逆变柜报F011故障开始陆续熔断器炸,柜子电源板,阻容板,第一相电容组,平衡电阻,之后直流母线的大车逆变器同样出现熔断器坏,柜子电源板坏,背板坏,第一相电容组坏。损坏部件一样。之后 AFE整流回馈柜子也出现过崩电源板,背板,CUSA板 坏的情况 ,测量负载之前主起升电缆线有问题更换一段线,但是 还是没法用,用几天就出问题,摇电机线绝缘已经没有任何问题。后来甩开主起升,大车,西梁AFE只带主小车,副小车还是炸了一次,之后没有投用。负载侧感觉没问题,真是无解了,备件已经消耗光了。

目前疑点就是西梁AFE从中压室过来的电压对地不平衡 ,分别是390V,410V,290V,其他天车都是对地400V,但是相间640平衡。三相电缆绝缘也检查过,摇绝缘对地没事,10兆欧以上,但是拿测电笔测外皮感应电压最高200V. 但是拆掉去该AFE的电缆,变压器输出侧电压正常。

整流回馈和逆变柜都在天车上电气梁内,直流母线统一供给逆变器梁内母排,因为逆变部分负载侧都已经查过了没问题啊,现场电缆,直流母线电压有点异常,正常输出应该是DC960,目前静止状态900V,启动车后带载就950了,947,除了机构逆变出现过F011,AFE没啥记录,西门子售后说早就脱保了,而且停产,建议电气室除尘,但是现场环境根本没法弄。之前来过一次,也是我们自己处理的。





剩余80%未阅读, 请登录阅读

回帖加入探讨技术论坛守则

上传附件要求

1. 文件大小:上传文件的大小请限制在2M以内。

2. 文件格式:请不要上传.exe文件,系统支持的格式有:
.avi,.wmv,.mp3,.rar,.zip,.doc,.docx,.xls,.xlsx,.ppt,.pptx,.pdf,.wma,.asf,.txt,.7z

 
发分享帖
爱工控,乐分享,
分享您的经验与案例
发故事
发表您的精彩故事,
参与征文活动
技术探讨帖
阐述您的观点,
表达我的看法
西家杂谈
海侃天南地北,
闲聊工控世界
发求助帖
求道解惑,“刨根问底”
解决问题
发投票帖
邀投票,做调查,
网友帮您来作主
取消原因:
求助:令人心碎的炸机一月,如噩梦般还没查出原因
编辑推荐: 关闭

请填写推广理由:

活动公告 查看全部公告>

AI 小西智伴登场,7×24 小时权威支援,让技术支持告别等待!

1,830,732 条
海量精彩技术内容

100,000+ 网友与你交流

助你技有所长,论有所获

热门视频,猜你喜欢

本版热门话题

MasterDrives

共有5851条技术帖

更多

评选标准

相关推荐

换一换

热门标签

换一换

相关帖子推荐

换一换
正在加载...
guzhang

恭喜,你发布的帖子

被评为精华帖!

快扫描右侧二维码晒一晒吧!

再发帖或跟帖交流2条,就能晋升VIP啦!开启更多专属权限!

  • 分享

  • 只看
    楼主

top

下载中心

  • 首页
  • 查找文档
  • 常见问题大全
  • 精选主题
  • 全球技术资源

  • 首页
  • 知识库
  • 订阅文档

1847工业学习平台

  • 首页
  • 了解会员权益
  • 立即开通1847会员
  • 课程中心
  • 学习路线
  • 初级工程师认证
  • 高级工程师认证

培训与认证

  • 首页
  • 教室培训课
  • 取证训练营
  • 在线自学课
  • 认证证书查询
  • 培训伙伴验证

技术论坛

  • 首页
  • 发帖
  • 最新发帖
  • 精华帖
  • 高赞贴
  • 当前热门帖
  • 高端推荐帖
  • 用户荣誉榜

找答案

  • 首页
  • 提问
  • 精华问答
  • 高赞问答
  • 新解决问题
  • 待解决问题
  • 总积分排行榜

售后服务

  • 我要报修
  • 服务进度查询
  • 质保及权益查询
  • 备件商城
  • ASP工程师验证
  • ASP公司证书验证
  • 支持中心网站重要声明

西门子中国   © 西门子(中国)有限公司 1996 – 2025   企业信息    隐私政策   使用条款   京ICP备06054295号   京公网安备 11010502040638号
 
支持中心新发布“关注”功能了!实时查看彼此动态,更方便地进行技术交流。
不管是“关注”与“被关注”,相信都是一个美好的开始!
还有多重奖励派送,快快行动起来吧!

20秒帮我们优化支持中心!

欢迎您访问支持中心!

丰富的视频,全方位的文档,大量的网友交流精华……

为了更好的完善这些内容,我们诚邀您在浏览结束后,花20秒左右的时间,完成一个用户在线调查!

感谢您的支持!

您收到0封站内信:
×
×
图片
立即
签到
已签到
已签到0天
累计可抽西币次数:0次抽奖机会
累计可抽大奖次数:0次抽奖机会
信息提示
很抱歉!您所访问的页面不存在,或网址发生了变化,请稍后再试。