回复:[总结]单按钮启保停

天涯孤独

  • 帖子

    108
  • 精华

    0
  • 被关注

    3

论坛等级:游士

注册时间:2006-09-27

普通 普通 如何晋级?

发布于 2007-05-15 09:18:02

0楼

quote:以下是引用LeeWheel在2006-11-09 15:45:34的发言:
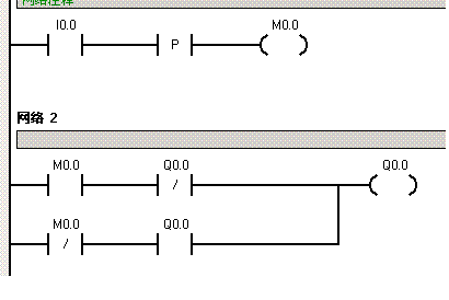
我也来贴一个图.......先给地址,版主有时间帮我上传一下,这个网站不会长久,谢谢!!!也是PUSH ON/PUSH OFF 的程序,看看这个执行效率如何,这个是我一直使用的方法,大家一起来口水一下.


你方法我觉得很好,但有个问题需要注意,如果程序的扫描周期大于300ms以上,非自锁按钮I0.0的动作信号可能无法让程序采集得到,而且还要考虑数字滤波的时间,因此,可靠性在扫描周期很长时可能无法保证。
评论
编辑推荐: 关闭

请填写推广理由:

本版热门话题

SIMATIC S7-200

共有33295条技术帖

相关推荐

热门标签

相关帖子推荐

guzhang

恭喜,你发布的帖子

评为精华帖!

快扫描右侧二维码晒一晒吧!

再发帖或跟帖交流2条,就能晋升VIP啦!开启更多专属权限!

  • 分享

  • 只看
    楼主

top
X 图片
您收到0封站内信:
×
×
信息提示
很抱歉!您所访问的页面不存在,或网址发生了变化,请稍后再试。