回复:7ME5033电磁流量计,脉冲输出对于无源型如何接线

下沙

  • 帖子

    2307
  • 精华

    17
  • 被关注

    7

论坛等级:侠圣

注册时间:2003-11-25

普通 普通 如何晋级?

发布于 2007-10-15 18:12:46

0楼

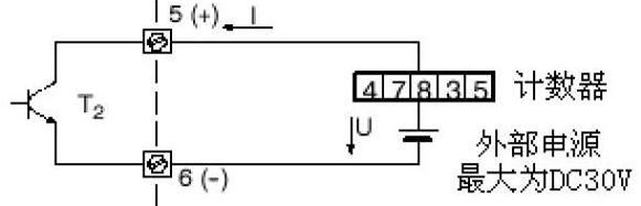
24伏电源的正极接入脉冲计数器的正,脉冲计数器的负(公共端)接入7ME5033电磁流量计脉冲输出的正(端子5),电磁流量计脉冲输出的负(端子6)接入24伏电源的负极。
如下图

评论
编辑推荐: 关闭

请填写推广理由:

本版热门话题

过程仪表

共有3137条技术帖

相关推荐

热门标签

相关帖子推荐

guzhang

恭喜,你发布的帖子

评为精华帖!

快扫描右侧二维码晒一晒吧!

再发帖或跟帖交流2条,就能晋升VIP啦!开启更多专属权限!

  • 分享

  • 只看
    楼主

top
X 图片
您收到0封站内信:
×
×
信息提示
很抱歉!您所访问的页面不存在,或网址发生了变化,请稍后再试。