回复:6SE70变频器频繁的报F006,变频器带有制动单元.

小皮

  • 帖子

    1389
  • 精华

    85
  • 被关注

    38

论坛等级:侠圣

注册时间:2004-10-29

普通 普通 如何晋级?

发布于 2008-08-28 15:13:13

0楼

回老兵:
现场先报的就是dn/dt故障,不过厂家人不信,认为安装没问题,编码器刚换的,就把报警域值放大不报了。
反馈减小从速度环是应该加大转矩给定,与给定频率无直接关系。
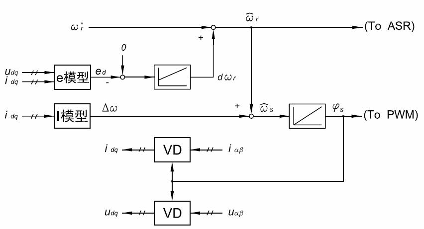
从功能总图里图下部速度反馈除了引入到速度环还连到了触发部分,直接生成矢量变换所需的角度(70的pdf文档图我没抓下来),给来个框图看看吧。

评论
编辑推荐: 关闭

请填写推广理由:

本版热门话题

MasterDrives

共有5855条技术帖

相关推荐

热门标签

相关帖子推荐

guzhang

恭喜,你发布的帖子

评为精华帖!

快扫描右侧二维码晒一晒吧!

再发帖或跟帖交流2条,就能晋升VIP啦!开启更多专属权限!

  • 分享

  • 只看
    楼主

top
X 图片
您收到0封站内信:
×
×
信息提示
很抱歉!您所访问的页面不存在,或网址发生了变化,请稍后再试。