回复:95U的编程电缆

姑苏城外

  • 帖子

    1466
  • 精华

    19
  • 被关注

    8

论坛等级:侠圣

注册时间:2006-05-29

普通 普通 如何晋级?

发布于 2009-04-16 23:23:28

0楼


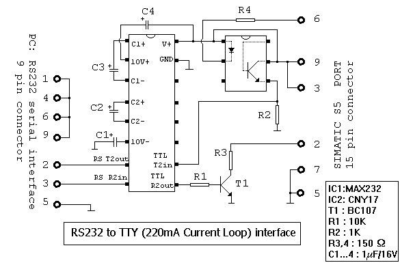
quote:以下是引用看热闹的在2009-04-16 10:07:31的发言:PC-TTY中间有转换电路吗?有一定技术含量吗?如果只是简单的线路接法的改变,要收二百多一根,是不是太宰人了!
其实自己也可以做,成本在10元钱以内
与人规矩,不与人巧!
评论
编辑推荐: 关闭

请填写推广理由:

本版热门话题

共有0条技术帖

相关推荐

热门标签

相关帖子推荐

guzhang

恭喜,你发布的帖子

评为精华帖!

快扫描右侧二维码晒一晒吧!

再发帖或跟帖交流2条,就能晋升VIP啦!开启更多专属权限!

  • 分享

  • 只看
    楼主

top
X 图片
您收到0封站内信:
×
×
信息提示
很抱歉!您所访问的页面不存在,或网址发生了变化,请稍后再试。