回复:6ES7 321-1BH02-0AA0数字量输入模块

聚沙成洲

  • 帖子

    1835
  • 精华

    22
  • 被关注

    31

论坛等级:奇侠

注册时间:2005-09-06

普通 普通 如何晋级?

发布于 2009-04-17 14:46:39

0楼

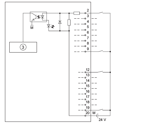
不要接。
点击此处查看附件
评论
编辑推荐: 关闭

请填写推广理由:

本版热门话题

SIMATIC S7-300/400

共有54789条技术帖

相关推荐

热门标签

相关帖子推荐

guzhang

恭喜,你发布的帖子

评为精华帖!

快扫描右侧二维码晒一晒吧!

再发帖或跟帖交流2条,就能晋升VIP啦!开启更多专属权限!

  • 分享

  • 只看
    楼主

top
X 图片
您收到0封站内信:
×
×
信息提示
很抱歉!您所访问的页面不存在,或网址发生了变化,请稍后再试。