回复:以下这几个滤波器各自的原理到是怎么样?

永不停息

  • 帖子

    473
  • 精华

    5
  • 被关注

    3

论坛等级:侠客

注册时间:2005-04-28

普通 普通 如何晋级?

发布于 2009-06-04 14:49:29

0楼

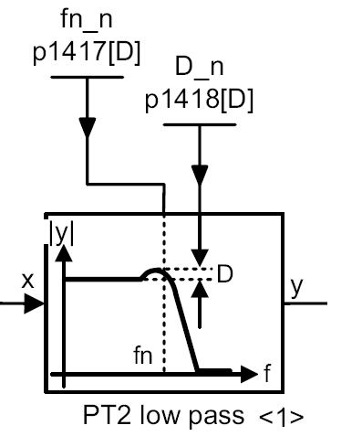
经常在sinamics的功能图中看到这几个滤波器,可是真不是太清楚每个的原理和他们都有什么不同,适用什么场合,请斑主和各位帮忙解释一下,尤其后两个,那几个控制参数究竟是调什么的?谢谢!!!!!!!!!!!
点击此处查看附件
点击此处查看附件
点击此处查看附件
活到老,学到老。
评论
编辑推荐: 关闭

请填写推广理由:

本版热门话题

SINAMICS

共有8207条技术帖

相关推荐

热门标签

相关帖子推荐

guzhang

恭喜,你发布的帖子

评为精华帖!

快扫描右侧二维码晒一晒吧!

再发帖或跟帖交流2条,就能晋升VIP啦!开启更多专属权限!

  • 分享

  • 只看
    楼主

top
X 图片
您收到0封站内信:
×
×
信息提示
很抱歉!您所访问的页面不存在,或网址发生了变化,请稍后再试。