回复:6R70开关量控制输入口的问题

kdrjl

西门子1847工业学习平台

  • 帖子

    36785
  • 精华

    452
  • 被关注

    1459

论坛等级:至圣

注册时间:2003-06-06

钻石 钻石 如何晋级?

发布于 2009-06-17 22:26:48

0楼


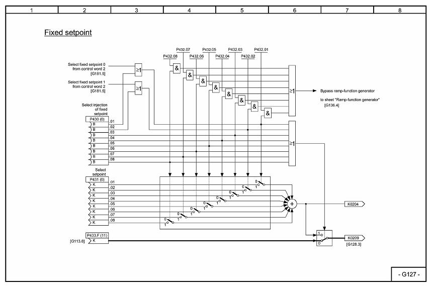
你好好研究一下这张图,6RA70可以进行最多8个固定值设置呢,完全满足你的要求。不过两个开关量接口还不够,需要增加CUD2板,这样,四个开关量信号就满足了。
老兵说得对端子37#/38#不要占用。作为专门的起停控制命令。
我是你的朋友
评论
编辑推荐: 关闭

请填写推广理由:

本版热门话题

直流调速器

共有3840条技术帖

相关推荐

热门标签

相关帖子推荐

guzhang

恭喜,你发布的帖子

评为精华帖!

快扫描右侧二维码晒一晒吧!

再发帖或跟帖交流2条,就能晋升VIP啦!开启更多专属权限!

  • 分享

  • 只看
    楼主

top
X 图片
您收到0封站内信:
×
×
信息提示
很抱歉!您所访问的页面不存在,或网址发生了变化,请稍后再试。