回复:我写的斜坡曲线程序

天天开心

  • 帖子

    1698
  • 精华

    7
  • 被关注

    7

论坛等级:侠圣

注册时间:2003-06-06

普通 普通 如何晋级?

发布于 2009-11-24 10:16:54

6楼

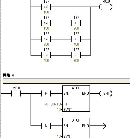
改成这样就可以了

助人为主,捣乱为辅,偶尔灌水,有时潜水!开心就好
评论
编辑推荐: 关闭

请填写推广理由:

本版热门话题

SIMATIC S7-200

共有33295条技术帖

相关推荐

热门标签

相关帖子推荐

guzhang

恭喜,你发布的帖子

评为精华帖!

快扫描右侧二维码晒一晒吧!

再发帖或跟帖交流2条,就能晋升VIP啦!开启更多专属权限!

  • 分享

  • 只看
    楼主

top
X 图片
您收到0封站内信:
×
×
信息提示
很抱歉!您所访问的页面不存在,或网址发生了变化,请稍后再试。