回复:PLC和变频器的通信线

小豆苗

  • 帖子

    563
  • 精华

    2
  • 被关注

    24

论坛等级:侠圣

注册时间:2006-07-10

普通 普通 如何晋级?

发布于 2010-01-25 15:10:13

9楼

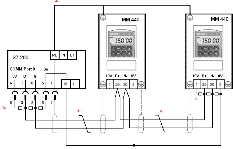
建议到西门子网站下载《西门子 S7-200·LOGO!·SITOP 参考》V0.93版(更新版)上面有详细的描述。

小豆苗茁壮成长!
评论
编辑推荐: 关闭

请填写推广理由:

本版热门话题

SIMATIC S7-200

共有33303条技术帖

相关推荐

热门标签

相关帖子推荐

guzhang

恭喜,你发布的帖子

评为精华帖!

快扫描右侧二维码晒一晒吧!

再发帖或跟帖交流2条,就能晋升VIP啦!开启更多专属权限!

  • 分享

  • 只看
    楼主

top
X 图片
您收到0封站内信:
×
×
信息提示
很抱歉!您所访问的页面不存在,或网址发生了变化,请稍后再试。