回复:TON定时器的一点小疑问,请帮助测试一下

winter938

  • 帖子

    1557
  • 精华

    33
  • 被关注

    41

论坛等级:至圣

注册时间:2005-06-09

黄金 黄金 如何晋级?

发布于 2010-06-22 19:24:59

11楼

quote:以下是引用shine在2010-06-21 08:56:20的发言:
你对100ms定时器的描述其实也不正确。
100ms是在扫描周期开始的时候更新状态,所以,你修改了pt或ct,都是在下一个扫描周期开始之后才会影响s的值。


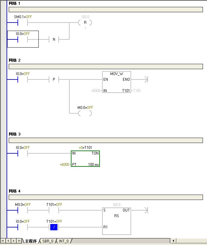
做了一个小程序测试,画面截图如附件,感觉shine的说法有待商榷

点击此处查看附件

点击此处查看附件

点击此处查看附件
工控爱好者
评论
编辑推荐: 关闭

请填写推广理由:

本版热门话题

SIMATIC S7-200

共有33300条技术帖

相关推荐

热门标签

相关帖子推荐

guzhang

恭喜,你发布的帖子

评为精华帖!

快扫描右侧二维码晒一晒吧!

再发帖或跟帖交流2条,就能晋升VIP啦!开启更多专属权限!

  • 分享

  • 只看
    楼主

top
X 图片
您收到0封站内信:
×
×
信息提示
很抱歉!您所访问的页面不存在,或网址发生了变化,请稍后再试。