回复:为什么要写输出限位R转IX、R转RX

凌飞翼

  • 帖子

    3395
  • 精华

    26
  • 被关注

    91

论坛等级:奇侠

注册时间:2007-11-11

普通 普通 如何晋级?

发布于 2011-01-03 14:10:49

2楼

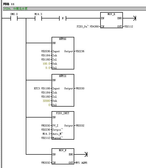
实数是对约定的量程而言,也就是为了让PID指令的设定值保证在0.0-1.0之间。
我的PID典型而完整的网络如下:
制冷、热工-许可证试验室承建,给了我深究测量与控制的绝好机会。分享-值得期待!
评论
编辑推荐: 关闭

请填写推广理由:

本版热门话题

SIMATIC S7-200

共有33300条技术帖

相关推荐

热门标签

相关帖子推荐

guzhang

恭喜,你发布的帖子

评为精华帖!

快扫描右侧二维码晒一晒吧!

再发帖或跟帖交流2条,就能晋升VIP啦!开启更多专属权限!

  • 分享

  • 只看
    楼主

top
X 图片
您收到0封站内信:
×
×
信息提示
很抱歉!您所访问的页面不存在,或网址发生了变化,请稍后再试。