回复:交流学习功能图的帖子

水中舟

  • 帖子

    397
  • 精华

    4
  • 被关注

    7

论坛等级:侠客

注册时间:2008-05-22

普通 普通 如何晋级?

发布于 2011-01-31 20:30:08

1楼

自己顶一个吧

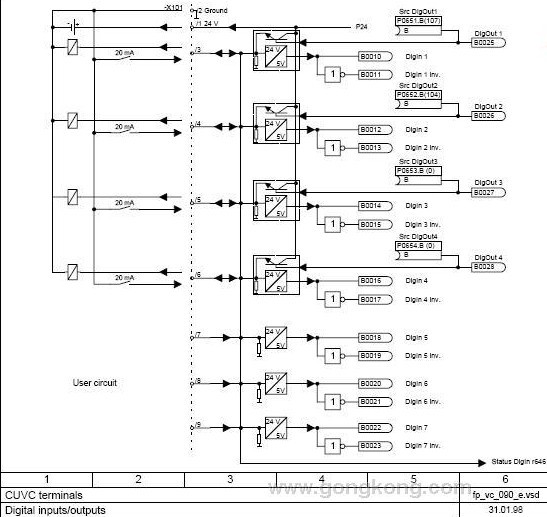
这个模拟量输入的图解释如下:
x102端子排的15号和16号端子接模拟量输入,然后经过10微妙的硬件滤波,然后经过A/D转换,变成“11bit+sign”的数字量(因为内部只能处理数字信号),p634.1是给第一个模拟量输入滤波事件的参数,(4)指的是默认值为4,p631是输入偏置值的参数,他和前面过来的数据做加减运算,遇到【250.2】,你就得去找功能图250的第二区
这些感觉还是明白的,具体往后面就不行了
点击此处查看附件
十日画一水,五日画一石
评论
编辑推荐: 关闭

请填写推广理由:

本版热门话题

MasterDrives

共有5855条技术帖

相关推荐

热门标签

相关帖子推荐

guzhang

恭喜,你发布的帖子

评为精华帖!

快扫描右侧二维码晒一晒吧!

再发帖或跟帖交流2条,就能晋升VIP啦!开启更多专属权限!

  • 分享

  • 只看
    楼主

top
X 图片
您收到0封站内信:
×
×
信息提示
很抱歉!您所访问的页面不存在,或网址发生了变化,请稍后再试。