回复:懂控制字的高手来 谢谢...

kdrjl

版主 西门子1847工业学习平台

  • 帖子

    37030
  • 精华

    455
  • 被关注

    1475

论坛等级:至圣

注册时间:2003-06-06

钻石 钻石 如何晋级?

发布于 2011-02-28 22:11:35

9楼


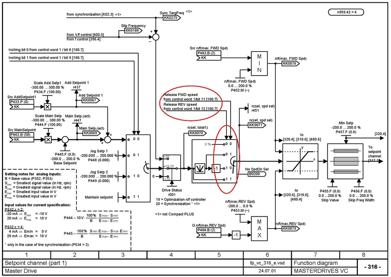
由上述功能图红圈部分可知:
控制字1的第12位(P572=1)不要动,将控制字1(P571)在“1”和“0”之间变化即可实现电机的正反向运行。
你走的是通讯控制,那么P571=3111这是对的,然后对3111这个位(字K3001的第11位)操作“1”或“0”就是正反转换。
如果你不走通讯,走端子控制正反转换,那将一个开关量输入连接P571,比如P571=18,然后在开关量输入端子7连接24V或者0V即可实现正反转转换。
不知道是否能明白?
我是你的朋友
评论
编辑推荐: 关闭

请填写推广理由:

本版热门话题

MasterDrives

共有5854条技术帖

相关推荐

热门标签

相关帖子推荐

guzhang

恭喜,你发布的帖子

评为精华帖!

快扫描右侧二维码晒一晒吧!

再发帖或跟帖交流2条,就能晋升VIP啦!开启更多专属权限!

  • 分享

  • 只看
    楼主

top
X 图片
您收到0封站内信:
×
×
信息提示
很抱歉!您所访问的页面不存在,或网址发生了变化,请稍后再试。