回复:求用一个输入控制一个输出状态反相实现

ALTINTOP

  • 帖子

    468
  • 精华

    1
  • 被关注

    6

论坛等级:侠士

注册时间:2009-10-12

普通 普通 如何晋级?

发布于 2011-03-17 14:04:47

8楼

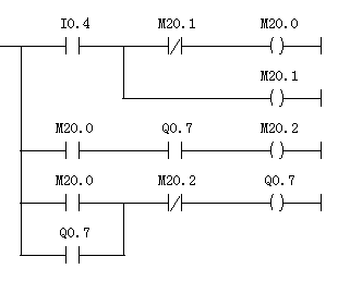
应该就是一键控制启停

须认真 当务实 应乐观 要进取
评论
编辑推荐: 关闭

请填写推广理由:

本版热门话题

SIMATIC S7-300/400

共有54789条技术帖

相关推荐

热门标签

相关帖子推荐

guzhang

恭喜,你发布的帖子

评为精华帖!

快扫描右侧二维码晒一晒吧!

再发帖或跟帖交流2条,就能晋升VIP啦!开启更多专属权限!

  • 分享

  • 只看
    楼主

top
X 图片
您收到0封站内信:
×
×
信息提示
很抱歉!您所访问的页面不存在,或网址发生了变化,请稍后再试。