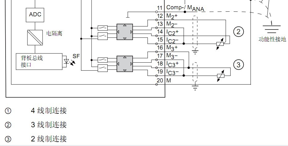
回复:请问PT100怎么接线

不可一世

  • 帖子

    652
  • 精华

    1
  • 被关注

    12

论坛等级:侠士

注册时间:2008-12-02

普通 普通 如何晋级?

发布于 2011-03-26 18:08:29

3楼


点击此处查看附件
短暂的激情是不值钱的!!
评论
编辑推荐: 关闭

请填写推广理由:

本版热门话题

SIMATIC S7-300/400

共有54768条技术帖

相关推荐

热门标签

相关帖子推荐

guzhang

恭喜,你发布的帖子

评为精华帖!

快扫描右侧二维码晒一晒吧!

再发帖或跟帖交流2条,就能晋升VIP啦!开启更多专属权限!

  • 分享

  • 只看
    楼主

top
X 图片
您收到0封站内信:
×
×
信息提示
很抱歉!您所访问的页面不存在,或网址发生了变化,请稍后再试。