技术支持热线上经常会遇到一些由于输出模块负载接线错误导致的故障问题。现象很简单就是输出状态不正常,该亮的输出点不亮,不该亮的输出点一起亮。原因大部分是接线错误导致,但是经常被忽略,在这里提出来和大家分享。
客户:我的SM322模板没有输出?
我:您告诉我模板的具体型号,和错误现象?
客户:我用的是32点 24VDO模板,订货号是6ES7322-1BL00,现象就是我的DO模板,程序里的输出线圈已经接通变绿了,但是模板上的灯不亮,带的中间继电器也不动作。
我:您的地址和硬件输出点对应正确吗?
客户:没有问题
我:CPU 是在运行状态吗,您先在变量表中监视监视一下这个点(排除程序没调用和输出线圈重复)
客户:没问题,显示是true。
我:您查过外围线路接线吗?这个模板是需要24V供电的。
客户:查了,量了24V都有
我:您量一下程序里有输出的点对M的电压
客户:0v
我:(程序错误排除、外围线路也查了,难道模板坏了。。。。。)这个模板的其他点正常吗?
客户:也不正常。
我:8个输出为一个通道组,是所有的不正常,还是一个组的不正常?
客户:都不正常
我:(看来模板有问题,使用替换法测试吧)您还有一样的模板吗?
客户:有好几个这个板子,都是一样的现象。
我:(不太对了,不应该坏这么多,还是有问题没注意到)您刚才说外围电路查过了,怎么查的?
客户:我就量了24V电源,检查了一下接线。
我:(问题可能还是在外围电路)好的,我还是怀疑您的接线有错误。
客户:接线我都查过好几遍了没问题。我们以前一直这样用,都没问题。
我:那您把输出点上的负载接线拆掉测试过一下吧?
客户:好,我这就测试,你不要挂电话。
我:我等着,您最好先断电。
过了2分钟
客户:咦,好了(客户在电话中自言自语)喂,我把线摘掉那个输出灯就亮了。
我:您现在测一下输出点电压
客户:24V
我:输出点正常了,那您还是查一下外围电路,是不是有接错线,有短路,过一会儿我再联系您。
客户:好的。
过十分钟后
我:您好,您的问题查到了吗?
客户:查到,是我们新换了一种中间继电器,跟原来接线不一样了。工人还按原来的接,输出直接连到负极去了。
我:解决就好,这个模板输出是有短路保护的所以就一直没有输出。
上面是输出该亮的不亮的问题,下面我再讲一个不该亮的输出却偏亮的问题。
客户:我的24V输出点总是两个一起亮
我:您说下具体现象
客户:就是我有一个输出点正常应该输出,它一输出,另外一个DO点也跟着一起有输出,但是我程序里根本就没让这个点输出。
我:您怎么确定它有输出了
客户:上面的灯亮了
我:您确认程序里没有输出,有没有使用强制功能?
客户:没有,变量表里监控那个点是false
我:这两个输出点是在一个模板上吗
客户:不在一个板子上
我:接的负载是什么
客户:就是都接到同一排中间继电器
我:那好,您将不该亮的那个输出点的接线摘掉看灯还亮吗?
客户:等一下,。。。。。拆掉线后,点不亮了。
我:好的,应该还是您的两个输出点到中间继电器侧接线有问题您查一下吧。
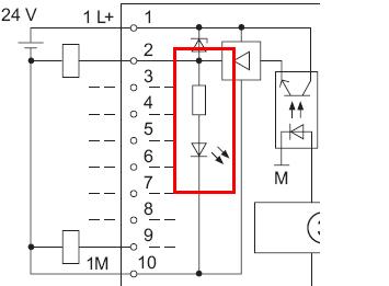
这个问题可以通过下面的两个图说明。中间继电器1和2由两个DO点控制。线圈负端并联接到24V电源M。如果连接到24V电源M端的线断掉,第一个DO1点有输出时,电流就会按照箭头走图1中绿色部分线路流入模板第二个输出点DO2。通过模板内部电路流入模板电源的24V-M端。构成一个完整的回路同时点亮第二个模板的输出指示灯。图2是模板内部电路示意图。

图1

图2