回复:关于西门子802PLC问题

801

  • 帖子

    3240
  • 精华

    28
  • 被关注

    70

论坛等级:至圣

注册时间:2004-01-09

普通 普通 如何晋级?

发布于 2011-05-19 07:00:50

10楼


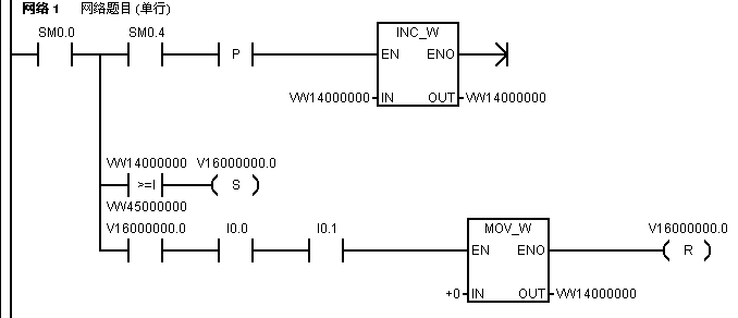
点击此处查看附件
决定我们一生的,有时不是我们的能力,而是我们的选择
评论
编辑推荐: 关闭

请填写推广理由:

本版热门话题

SINUMERIK

共有25603条技术帖

相关推荐

热门标签

相关帖子推荐

guzhang

恭喜,你发布的帖子

评为精华帖!

快扫描右侧二维码晒一晒吧!

再发帖或跟帖交流2条,就能晋升VIP啦!开启更多专属权限!

  • 分享

  • 只看
    楼主

top
X 图片
您收到0封站内信:
×
×
信息提示
很抱歉!您所访问的页面不存在,或网址发生了变化,请稍后再试。