回复:70速度环里有电力电子变换器UPE吗?

kdrjl

西门子1847工业学习平台

  • 帖子

    36929
  • 精华

    455
  • 被关注

    1468

论坛等级:至圣

注册时间:2003-06-06

钻石 钻石 如何晋级?

发布于 2011-06-05 22:17:08

3楼


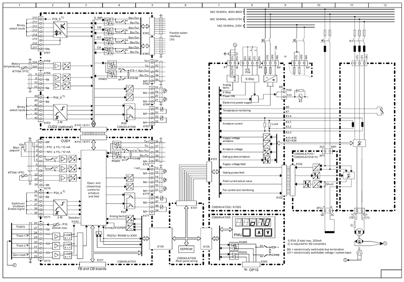
在给你一张6RA70的结构框图,反映所谓的UPE。另外系统的框图怎么能看出来是开环的呢?他是典型的双闭环系统,励磁控制也是闭环可控的,且可以实现自动弱磁升速的配合控制。
我是你的朋友
评论
编辑推荐: 关闭

请填写推广理由:

本版热门话题

直流调速器

共有3843条技术帖

相关推荐

热门标签

相关帖子推荐

guzhang

恭喜,你发布的帖子

评为精华帖!

快扫描右侧二维码晒一晒吧!

再发帖或跟帖交流2条,就能晋升VIP啦!开启更多专属权限!

  • 分享

  • 只看
    楼主

top
X 图片
您收到0封站内信:
×
×
信息提示
很抱歉!您所访问的页面不存在,或网址发生了变化,请稍后再试。