回复:请教高手关于电动机星三角启动的流程

n次看你的背影

  • 帖子

    2321
  • 精华

    73
  • 被关注

    53

论坛等级:奇侠

注册时间:2008-03-11

普通 普通 如何晋级?

发布于 2011-06-08 11:21:19

22楼

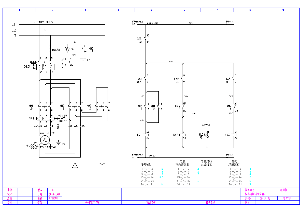
以前用200做过这样的事情,自己设计了电气原理图,贴一图,神马也不说了,呵呵!
佛对我说:“你的痛苦来自于你的欲望,没有欲望也就没有痛苦!”
评论
编辑推荐: 关闭

请填写推广理由:

本版热门话题

SIMATIC S7-200

共有33289条技术帖

相关推荐

热门标签

相关帖子推荐

guzhang

恭喜,你发布的帖子

评为精华帖!

快扫描右侧二维码晒一晒吧!

再发帖或跟帖交流2条,就能晋升VIP啦!开启更多专属权限!

  • 分享

  • 只看
    楼主

top
X 图片
您收到0封站内信:
×
×
信息提示
很抱歉!您所访问的页面不存在,或网址发生了变化,请稍后再试。