回复:mm420 线性v/f控制是什么意思

kdrjl

版主 西门子1847工业学习平台

  • 帖子

    37128
  • 精华

    455
  • 被关注

    1479

论坛等级:至圣

注册时间:2003-06-06

钻石 钻石 如何晋级?

发布于 2011-06-26 22:06:56

2楼


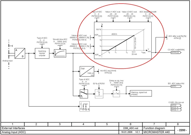
如图示。红圈部分,决定你输入的0-10V就是线性的0-100%对应。如果要求0-10V要对应0-50Hz的话,那你还要设置另外两个参数来决定。
P1082=50(最高频率)
P2000=50(频率的规格化设置)
有了上述的设置,既可保证0-10V对应0-50Hz了。
我是你的朋友
评论
编辑推荐: 关闭

请填写推广理由:

本版热门话题

电机

共有3179条技术帖

相关推荐

热门标签

相关帖子推荐

guzhang

恭喜,你发布的帖子

评为精华帖!

快扫描右侧二维码晒一晒吧!

再发帖或跟帖交流2条,就能晋升VIP啦!开启更多专属权限!

  • 分享

  • 只看
    楼主

top
X 图片
您收到0封站内信:
×
×
信息提示
很抱歉!您所访问的页面不存在,或网址发生了变化,请稍后再试。