quote:以下是引用怪怪虎在2011-09-15 22:36:24的发言:
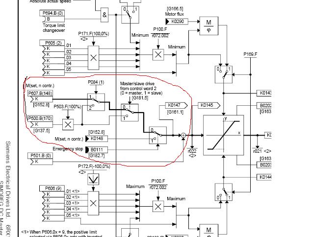
在有故障时,转矩限幅值直接给0,装置的控制没有速度控制与转矩控制的切换,只有在点动时是速度系统,正常工作时一直是转矩控制。
S辊空转时也是这样的,就不存在速调饱和的问题。
我尝试在撤OFF1的同时也撤使能P661,就不会有这个现象,但是电机会自由停车,在有故障时自由停车是不能满足工艺要求的。
参数怎么上传啊?要截图还是怎么着
虽然把转矩限幅给0了,但是你是OFF1控制,此时根据G161可以知道电流给定会切到K147控制,而K147在G160中是位于转矩限幅之前的,它来自于K170(如果你的P84=2),所以而K170还是和你的斜坡速度给定值有关啊!
