回复:AFE中K7的问题

青春的微笑

  • 帖子

    170
  • 精华

    3
  • 被关注

    9

论坛等级:侠士

注册时间:2009-10-10

普通 普通 如何晋级?

发布于 2011-10-11 19:53:10

2楼

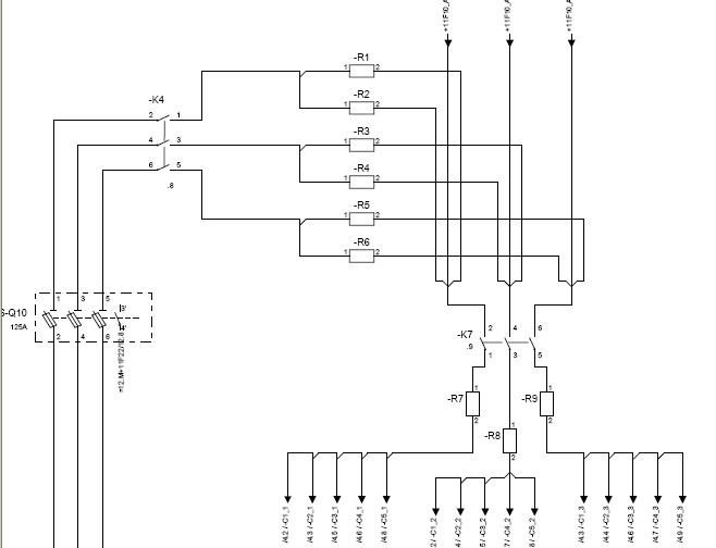
见附件当中的r7、r8、r9

每天进步一点点!
评论
编辑推荐: 关闭

请填写推广理由:

本版热门话题

MasterDrives

共有5852条技术帖

相关推荐

热门标签

相关帖子推荐

guzhang

恭喜,你发布的帖子

评为精华帖!

快扫描右侧二维码晒一晒吧!

再发帖或跟帖交流2条,就能晋升VIP啦!开启更多专属权限!

  • 分享

  • 只看
    楼主

top
您收到0封站内信:
×
×
信息提示
很抱歉!您所访问的页面不存在,或网址发生了变化,请稍后再试。