回复:6SE70 的 BICO参数组 怎么设置?,

nnnn1234

  • 帖子

    4986
  • 精华

    57
  • 被关注

    223

论坛等级:至圣

注册时间:2010-02-22

钻石 钻石 如何晋级?

发布于 2011-11-07 10:30:45

5楼

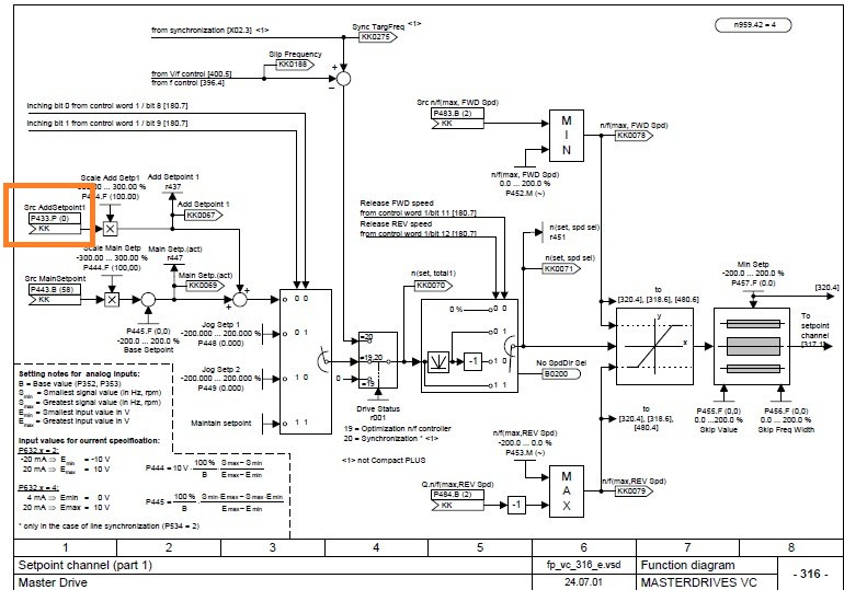
大全里确实有P433.P(0),但没有P443.P(0),不过这是错误,应该是P433.B(0)。
截图:


The darkness is no darkness with thee.
评论
编辑推荐: 关闭

请填写推广理由:

本版热门话题

MasterDrives

共有5855条技术帖

相关推荐

热门标签

相关帖子推荐

guzhang

恭喜,你发布的帖子

评为精华帖!

快扫描右侧二维码晒一晒吧!

再发帖或跟帖交流2条,就能晋升VIP啦!开启更多专属权限!

  • 分享

  • 只看
    楼主

top
X 图片
您收到0封站内信:
×
×
信息提示
很抱歉!您所访问的页面不存在,或网址发生了变化,请稍后再试。