回复:采用无编码器的矢量控制SLVC(P100=3)方式,15HZ启动时,在某一位置时出现溜车现象?

kdrjl

版主 西门子1847工业学习平台

  • 帖子

    37026
  • 精华

    455
  • 被关注

    1475

论坛等级:至圣

注册时间:2003-06-06

钻石 钻石 如何晋级?

发布于 2011-11-09 20:36:51

18楼

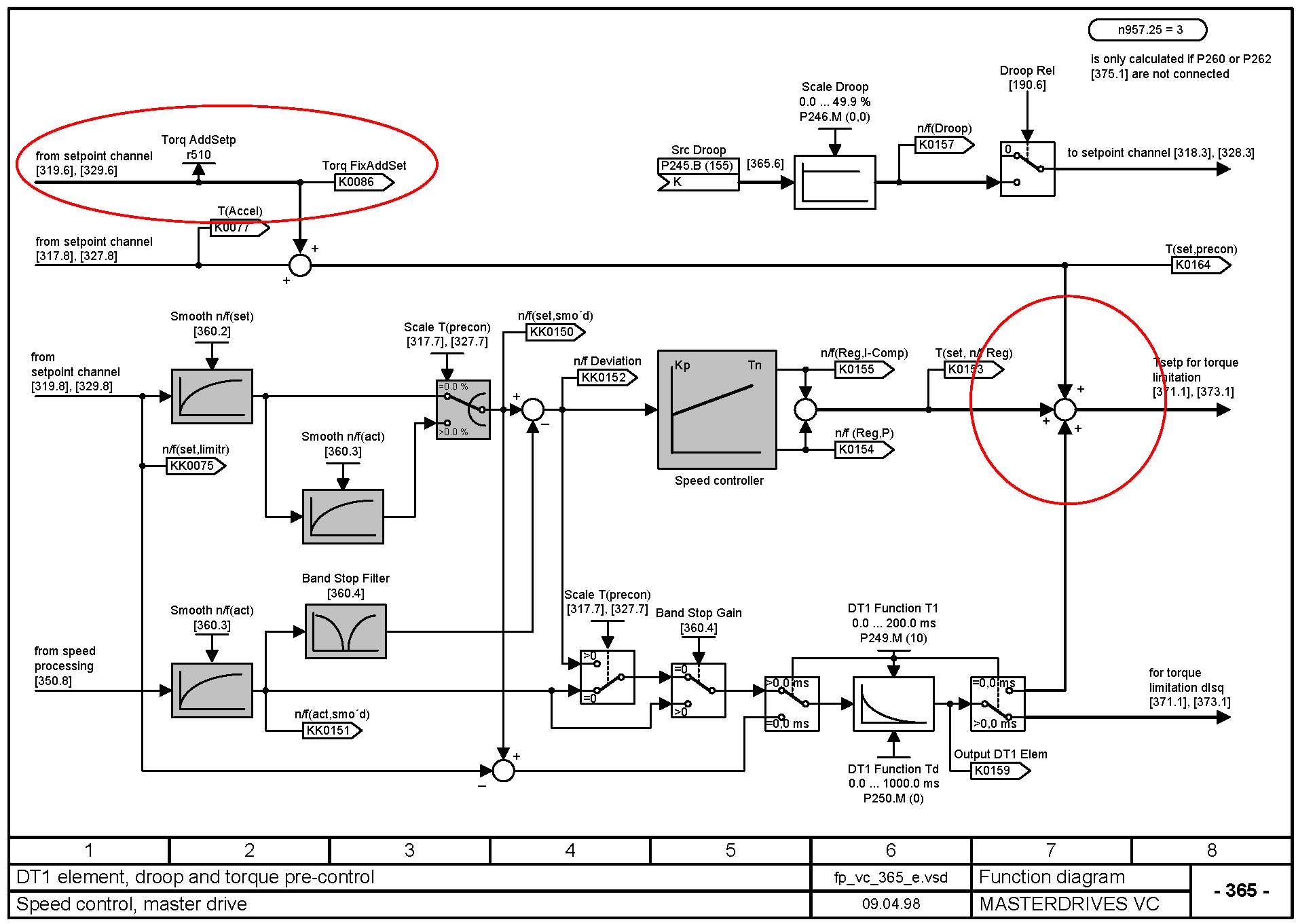
不用PID了吧?那就搞复杂了。因为每个变频器的转矩给定通道都有附加输入端。把那个要补的信号输入到附加给定端就可以了。我认为,要补的是少于平均值的,多的不补(也就是只加不减)。这样就可以了。







另外,从你的帖子,我更怀疑通讯的速度慢了。信号传输问题。不如端子控制来的快。也许是程序的问题了。
我是你的朋友
评论
编辑推荐: 关闭

请填写推广理由:

本版热门话题

MasterDrives

共有5854条技术帖

相关推荐

热门标签

相关帖子推荐

guzhang

恭喜,你发布的帖子

评为精华帖!

快扫描右侧二维码晒一晒吧!

再发帖或跟帖交流2条,就能晋升VIP啦!开启更多专属权限!

  • 分享

  • 只看
    楼主

top
X 图片
您收到0封站内信:
×
×
信息提示
很抱歉!您所访问的页面不存在,或网址发生了变化,请稍后再试。