回复:PROFIBUS接头问题

liujian1121

  • 帖子

    1910
  • 精华

    1
  • 被关注

    210

论坛等级:奇侠

注册时间:2011-02-12

黄金 黄金 如何晋级?

发布于 2011-11-15 13:25:52

11楼

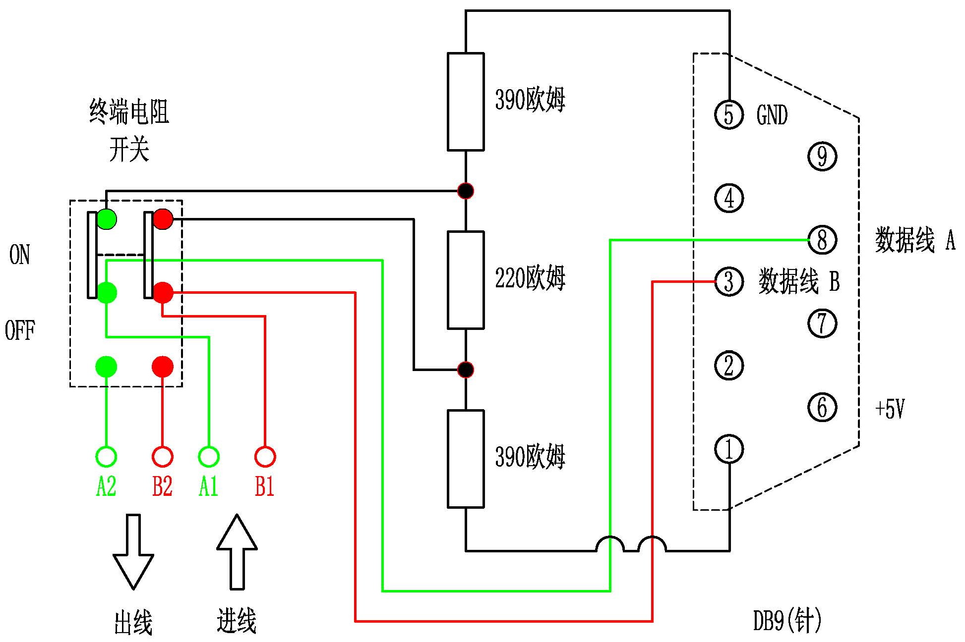
发一张以前网友的图片给你就明白了。

文建
评论
编辑推荐: 关闭

请填写推广理由:

本版热门话题

SIMATIC S7-300/400

共有54790条技术帖

相关推荐

热门标签

相关帖子推荐

guzhang

恭喜,你发布的帖子

评为精华帖!

快扫描右侧二维码晒一晒吧!

再发帖或跟帖交流2条,就能晋升VIP啦!开启更多专属权限!

  • 分享

  • 只看
    楼主

top
X 图片
您收到0封站内信:
×
×
信息提示
很抱歉!您所访问的页面不存在,或网址发生了变化,请稍后再试。