回复:预充电回路

kdrjl

版主 西门子1847工业学习平台

  • 帖子

    37120
  • 精华

    455
  • 被关注

    1479

论坛等级:至圣

注册时间:2003-06-06

钻石 钻石 如何晋级?

发布于 2011-12-02 20:45:09

3楼

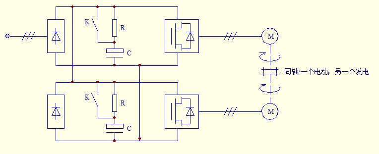
哦?你是大家伙的?是可控硅整流吗?如果是的话,那就需要问清楚了。我曾经听西门子的工程师说过,75kW以上的装置(MM440)是可控硅整流。因为可控硅整流是可控的,所以预充电完全可以不需要其他的辅助电路或单元。自身就具备预充电。如果是这样,那你的电路就要按照新的结果去考虑了。我给你的并联电路是针对二极管整流的形式。

并联直流母线,其实关键是预充电电路形式来决定。你最好还是问问吧。因为FX的我没研究过它的结构特征。你如果好事,可以打开装置看看,顺着输入往直流母线查,即可看到他的预充电单元的位置和形式了。把它画下来,就能知道怎么并联直流母线为正确了。

另外我给你的示图是有条件的共母线结构。那就是两系统电机同轴,一个电动一个发电的状态。不是其他形式的。下图是二极管的整流器形式的MM440,共母线并联。


我是你的朋友
评论
编辑推荐: 关闭

请填写推广理由:

本版热门话题

MicroMaster

共有6824条技术帖

相关推荐

热门标签

相关帖子推荐

guzhang

恭喜,你发布的帖子

评为精华帖!

快扫描右侧二维码晒一晒吧!

再发帖或跟帖交流2条,就能晋升VIP啦!开启更多专属权限!

  • 分享

  • 只看
    楼主

top
X 图片
您收到0封站内信:
×
×
信息提示
很抱歉!您所访问的页面不存在,或网址发生了变化,请稍后再试。