早上醒来突然想到用D触发器更好,可以实现边沿触发,启动按钮只有上升沿起作用,安全性更好
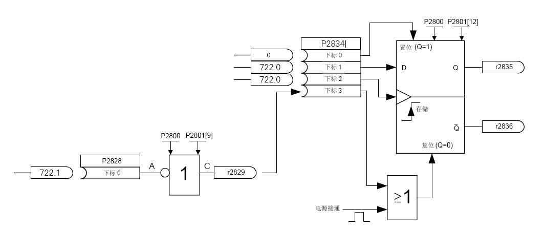
D触发器的功能如下图

相关参数设置
P0700[0] = 2 选择命令源
P0701[0] = 99 使能DI1的BiCo功能
P0702[0] = 99 使能DI2的BiCo功能
P0840[0] = 2835 选择D触发器的输出做为ON/OFF1命令源
P2800[0] = 1 使能自由功能块(自由功能块的总开关)
P2801[9] = 1 激活非门
P2801[12] = 1 激活D触发器
P2828 = 722.1 非门的输入DI2
P2834[0] = 0 D触发器的置位端输入0,即不用置位端
P2834[1] = 722.0 D触发器的D-输入端设置为DI1
P2834[2] = 722.0 D触发器的存储脉冲设置为DI1
P2834[3] = 2829 D触发器的复位端设置为非门的输出,即DI2的信号取反