伺服的抱闸如果使用小继电器来控制是否不需要并联续流二极管?

已锁定

lsyzdhs

西门子1847工业学习平台

  • 帖子

    61
  • 精华

    0
  • 被关注

    0

论坛等级:侠客

注册时间:2020-12-18

钻石 钻石 如何晋级?

伺服的抱闸如果使用小继电器来控制是否不需要并联续流二极管?

2751

17

2024-04-23 09:16:11

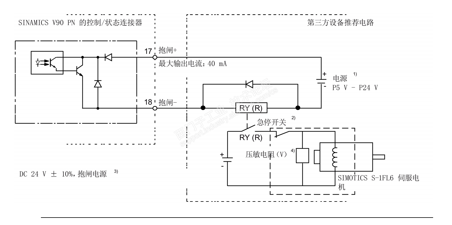
伺服的抱闸需要用继电器来控制,为什么继电器线圈需要续流二极管呢,本身只是一个小继电器,也没看到PLC输出控制继电器要加续流二极管,单单伺服就需要,这是规范还是可加可不加



伺服的抱闸如果使用小继电器来控制是否不需要并联续流二极管? 已锁定
编辑推荐: 关闭

请填写推广理由:

本版热门话题

SIMATIC S7-1200系列

共有15148条技术帖

相关推荐

热门标签

相关帖子推荐

guzhang

恭喜,你发布的帖子

评为精华帖!

快扫描右侧二维码晒一晒吧!

再发帖或跟帖交流2条,就能晋升VIP啦!开启更多专属权限!

  • 分享

  • 只看
    楼主

top
X 图片
您收到0封站内信:
×
×
信息提示
很抱歉!您所访问的页面不存在,或网址发生了变化,请稍后再试。