西门子SMRAT 200PLC MODBUS TCP多服务器编程

已锁定

午夜屠夫

西门子1847工业学习平台

  • 帖子

    6
  • 精华

    0
  • 被关注

    0

论坛等级:游民

注册时间:2015-08-07

普通 普通 如何晋级?

西门子SMRAT 200PLC MODBUS TCP多服务器编程

1636

5

2024-12-02 10:29:33

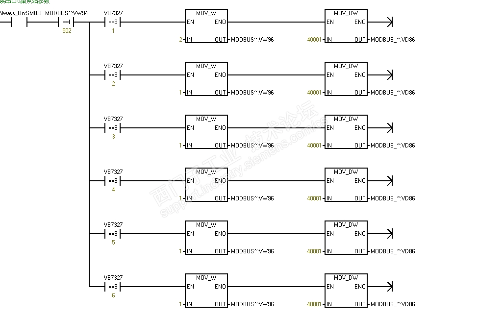
我现在是一台SMART200 PLC需要接两个串口服务器(PLC做客户端),走MODBUS TCP,调用两次MODBUS TCP_CLIENT指令,但是呢,PLC这边库存储区只能分配一次,那我串口服务器连接成功的地址V7594.0和站号地址VB7327等这些背景数据该怎么用在第二个串口服务器上








西门子SMRAT 200PLC MODBUS TCP多服务器编程 已锁定
编辑推荐: 关闭

请填写推广理由:

本版热门话题

SIMATIC S7-200 SMART

共有8974条技术帖

相关推荐

热门标签

相关帖子推荐

guzhang

恭喜,你发布的帖子

评为精华帖!

快扫描右侧二维码晒一晒吧!

再发帖或跟帖交流2条,就能晋升VIP啦!开启更多专属权限!

  • 分享

  • 只看
    楼主

top
X 图片
您收到0封站内信:
×
×
信息提示
很抱歉!您所访问的页面不存在,或网址发生了变化,请稍后再试。